Szybka dostawa
30-dniowa dostawa ekspresowa



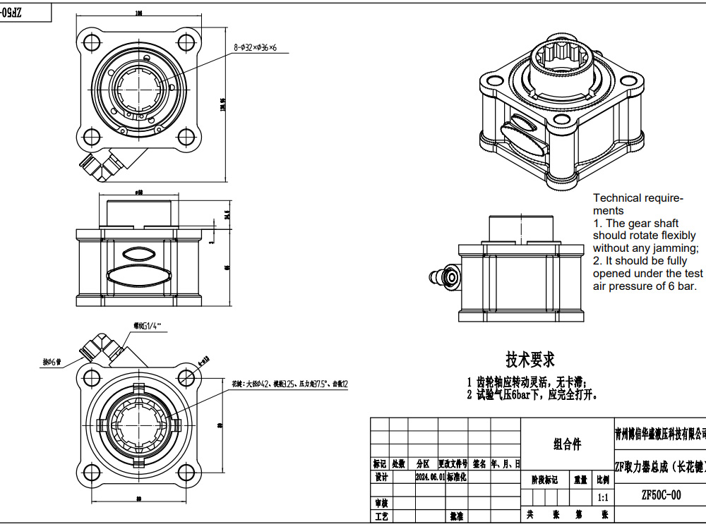
Odbiór Mocy ZF50C to solidna, sterowana pneumatycznie jednostka PTO, zaprojektowana do wymagających globalnych zastosowań przemysłowych i mobilnych. Dostarczając potężny moment obrotowy 479,7 Nm ze standardowym montażem i smarowaniem ciśnieniowym, zapewnia niezawodne zasilanie pomocnicze dla szerokiej gamy ciężkich maszyn w budownictwie, rolnictwie, przeładunku materiałów i innych sektorach przemysłowych.
| Seria ZF50 Wały odbioru mocy (WOM) Parameters | |
|---|---|
| Ciśnienie powietrza sterującego | 6 bar |
| Typ montażu | 4 śruby |
| Kierunek obrotów wyjściowych | Przeciwny do kierunku obrotów silnika |
| Typ sterowania | Pneumatyczny (siłownik jednostronnego działania) z powrotem sprężynowym |
| Przełożenie | 1:1 |
| Znamionowy moment wyjściowy | 479.7 Nm |
| Opcja smarowania | Smarowanie ciśnieniowe |
| Opcja montażu | Standardowy montaż |
Jako wiodący globalny producent, z dumą przedstawiamy Odbiór Mocy ZF50C, wysokowydajne rozwiązanie zaprojektowane z myślą o niezawodności i wydajności w różnorodnych zastosowaniach przemysłowych i mobilnych. Oferujemy kompleksowe usługi produkcyjne, OEM, ODM, niestandardowe i hurtowe, a także aktywnie poszukujemy globalnych dystrybutorów, hurtowników, agentów i handlowców.
**Cechy i zalety produktu:**
* **Wysoki znamionowy moment obrotowy:** Z solidnymi 479,7 Nm, ZF50C jest zaprojektowany do obsługi wymagających potrzeb mocy w zastosowaniach ciężkich, zapewniając optymalną wydajność.
* **Sterowanie pneumatyczne (cylinder jednostronnego działania ze sprężynowym resetem):** Oferuje precyzyjne i niezawodne załączanie/rozłączanie. Cylinder jednostronnego działania z mechanizmem sprężynowego resetu zapewnia prostą, skuteczną i bezpieczną obsługę. Działa efektywnie przy ciśnieniu powietrza sterującego 6 bar.
* **Opcja smarowania ciśnieniowego:** Ta kluczowa funkcja zapewnia ciągłe i skuteczne smarowanie wewnętrznych komponentów, znacząco wydłużając żywotność jednostki PTO, zwłaszcza w warunkach ciągłego i dużego obciążenia.
* **Standardowa opcja montażu:** Ułatwia łatwą integrację z szeroką gamą silników i skrzyń biegów, skracając czas i koszty instalacji.
* **Przełożenie prędkości 1:1:** Zapewnia bezpośrednie i wydajne przeniesienie mocy z silnika do sprzętu pomocniczego bez redukcji lub wzmocnienia prędkości.
* **Kierunek wyjścia przeciwny do silnika:** Zaprojektowany z myślą o specyficznej kompatybilności systemu, zapewniając prawidłowy kierunek obrotów dla napędzanych komponentów.
* **Trwała konstrukcja:** Wykonany z wysokiej jakości materiałów, aby wytrzymać trudne warunki pracy i zapewnić długoterminową niezawodność.
**Scenariusze zastosowania:**
Nasz Odbiór Mocy ZF50C jest niezbędnym komponentem dla wielu branż i typów pojazdów wymagających pomocniczej mocy hydraulicznej lub napędu mechanicznego:
* **Budownictwo i roboty ziemne:** Idealny do zasilania pomp hydraulicznych w DŹWIGACH TERENOWYCH, ŁADOWARKACH KOŁOWYCH, KOPARKO-ŁADOWARKACH, WYWROTKACH, RÓWNIARKACH i POMPOCH DO BETONU Z WYSIĘGNIKIEM.
* **Przeładunek materiałów:** Niezbędny do dostarczania mocy pomocniczej do ŁADOWAREK TELESKOPOWYCH i WÓZKÓW WIDŁOWYCH dla różnych osprzętów i funkcji.
* **Rolnictwo:** Kluczowy dla CIĄGNIKÓW I ŁADOWACZY CZOŁOWYCH, KOMBATÓW, PRAS DO SŁOMY i OPRYSKIWACZY, napędzając osprzęt i układy hydrauliczne.
* **Pojazdy przemysłowe:** Odpowiedni dla różnych pojazdów specjalistycznych wymagających niezawodnego zasilania dla wciągarek, sprężarek, kompaktatorów odpadów i innego sprzętu pomocniczego. ZF50C zapewnia maksymalną wydajność i minimalne przestoje tych maszyn.



