Szybka dostawa
30-dniowa dostawa ekspresowa



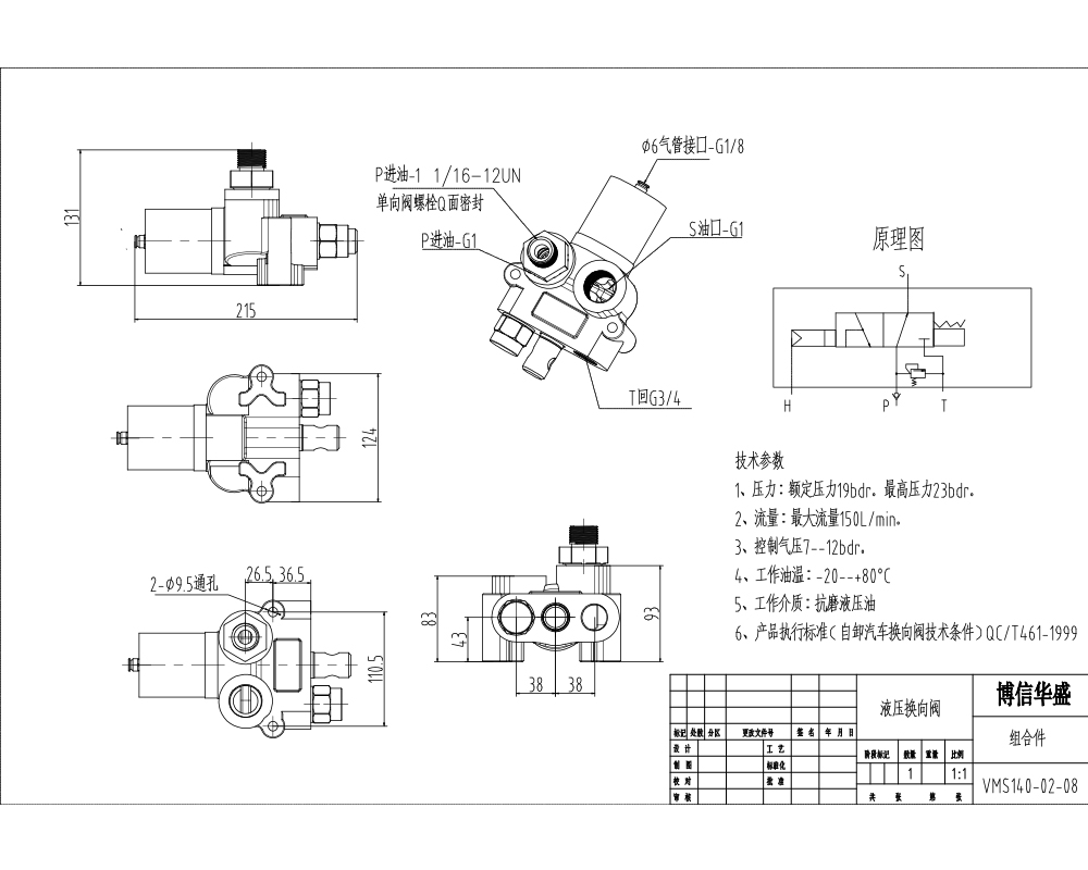
Pneumatyczny 1-suwakowy rozdzielacz monoblokowy VMS140 to solidne i kompaktowe rozwiązanie do sterowania hydrauliką, przeznaczone do zastosowań globalnych. Wyposażony w precyzyjne sterowanie pneumatyczne, ten zawór monoblokowy zapewnia znamionowy przepływ 150 L/min i wytrzymuje maksymalne ciśnienie 230 bar, co czyni go idealnym do szerokiej gamy mobilnych i przemysłowych systemów hydraulicznych wymagających sterowania jednofunkcyjnego.
| Seria VMS Zawór sterujący jednoczęściowy Parameters | |
|---|---|
| Szpula | 1 Szpula |
| Metoda sterowania | Ręczna |
| Rozmiar portu | G1 |
| Sekcja | 1 Sekcja |
| Zakres temperatury otoczenia | -20°C do +80°C (-4°F do +176°F) |
| Zakres lepkości roboczej | 15 - 75 mm²/s (15 cSt do 75 cSt) |
| Port wylotowy | G3/4 |
| Maksymalne ciśnienie | 230 bar (3300 psi) |
| Przepływ znamionowy | Przepływ 150 L/min |
| Typ konstrukcji | Zawór blokowy |
| Port wlotowy | SAE 12 |
Rozdzielacz monoblokowy VMS140 wyróżnia się niezawodnością i wydajnością w wymagających zastosowaniach hydraulicznych. Jego monoblokowa konstrukcja zapewnia kompaktowe wymiary, zmniejszoną liczbę potencjalnych punktów wycieku oraz uproszczoną instalację, co przyczynia się do ogólnej wydajności i trwałości systemu hydraulicznego.
**Kluczowe cechy i zalety:**
* **Sterowanie Pneumatyczne:** Oferuje precyzyjne i responsywne zdalne sterowanie, zwiększając komfort i bezpieczeństwo operatora w różnych maszynach.
* **Solidna Konstrukcja Monoblokowa:** Zapewnia integralność strukturalną i kompaktowe wymiary, idealne do instalacji o ograniczonej przestrzeni i minimalizujące liczbę punktów połączeń.
* **Wysoka Wydajność:** Zdolny do obsługi znamionowego przepływu 150 L/min (39.6 US gpm) i maksymalnego ciśnienia 230 bar (3300 psi), co czyni go odpowiednim do zadań ciężkich.
* **Konfiguracja z Jednym Suwakiem:** Upraszcza sterowanie określoną funkcją hydrauliczną, taką jak podnoszenie, przechylanie lub wysuwanie, zapewniając prostą obsługę.
* **Szeroki Zakres Roboczy:** Działa niezawodnie w zakresie temperatur otoczenia od -20°C do +80°C (-4°F do +176°F) oraz w zakresie lepkości roboczej od 15 do 75 cSt, zapewniając stałą wydajność w różnych warunkach środowiskowych i płynów.
* **Standardowe Przyłącza:** Wyposażony w port wlotowy SAE 12 i port wylotowy G3/4, wraz z ogólnym rozmiarem portu G1, ułatwiając łatwą integrację z istniejącymi obwodami hydraulicznymi.
**Scenariusze Zastosowań:**
Ten wszechstronny zawór jest zaprojektowany dla szerokiego spektrum maszyn mobilnych i przemysłowych. Jest doskonałym wyborem dla systemów wymagających solidnego i precyzyjnego sterowania siłownikami hydraulicznymi. Typowe zastosowania obejmują:
* **Sprzęt do Przeładunku Materiałów:** Stosowany w wózkach widłowych, ładowarkach teleskopowych i układnicach do sterowania funkcjami podnoszenia, przechylania lub pomocniczymi.
* **Maszyny Budowlane i Ziemne:** Idealny do minikoparek, ładowarek o sterowaniu burtowym, kompaktowych ładowarek kołowych i koparko-ładowarek do zarządzania ruchami osprzętu lub pomocniczymi liniami hydraulicznymi.
* **Maszyny Rolnicze:** Odpowiedni do traktorów, ładowarek czołowych i kombajnów, zapewniający moc hydrauliczną i sterowanie dla różnych narzędzi i funkcji.
* **Pojazdy Przemysłowe:** Zastosowanie w różnorodnych niestandardowych i specjalistycznych pojazdach przemysłowych wymagających niezawodnego i kompaktowego hydraulicznego sterowania kierunkowego dla pojedynczych działań.
Jako wiodący producent, zobowiązujemy się do dostarczania wysokiej jakości rozwiązań hydraulicznych. Oferujemy elastyczne usługi, w tym produkcję, produkcję OEM/pod marką własną oraz niestandardowe rozwiązania, aby sprostać specyficznym potrzebom klienta. Aktywnie poszukujemy globalnych dystrybutorów, hurtowników, agentów i handlowców do współpracy z nami i rozszerzenia zasięgu naszych zaawansowanych produktów hydraulicznych, takich jak zawór VMS140.



