Szybka dostawa
30-dniowa dostawa ekspresowa



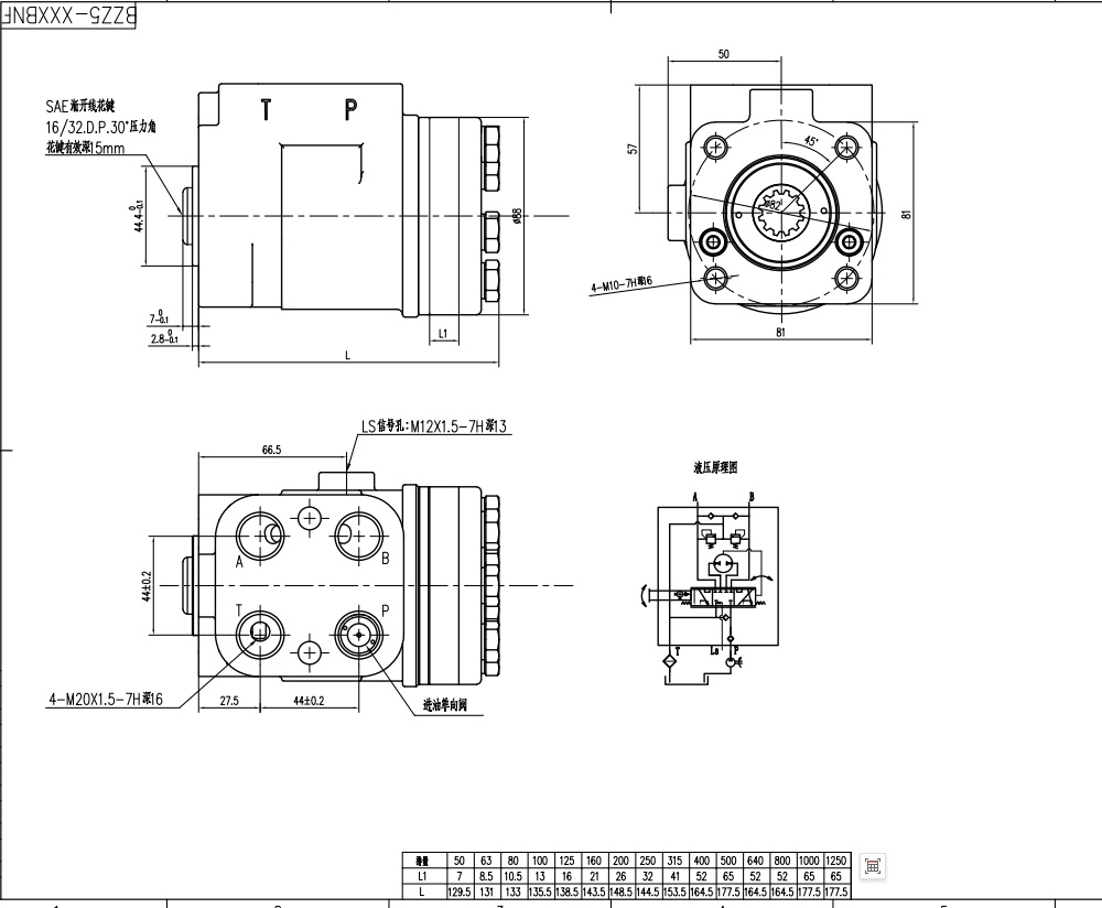
Jednostka sterująca TLF-E800 to wysokowydajny hydrauliczny komponent układu kierowniczego o pojemności 800 ml/obr, maksymalnym ciśnieniu wejściowym 16 MPa i znamionowym przepływie 60 l/min. Wykonana z żeliwa z konfigurowalnym blokiem zaworowym, jest idealna do różnorodnych pojazdów do transportu materiałów, budowlanych i przemysłowych, oferując niezawodne i wydajne rozwiązania w zakresie sterowania.
| Seria TLF Jednostka Sterująca Parameters | |
|---|---|
| Pojemność skokowa | 800 ml/obr, 1000 ml/obr, 640 ml/obr |
| Zespół zaworów | Dostosowywalny |
| Materiał | Żeliwo |
| Przepływ znamionowy | 48 l/min, 60 l/min, 75 l/min |
| Maksymalne ciągłe ciśnienie zwrotne | 1,6 MPa |
| Maksymalne ciśnienie wejściowe | 16 MPa |
Jednostka sterująca TLF-E800 to solidny i niezawodny komponent hydrauliczny zaprojektowany do wymagających zastosowań w pojazdach do transportu materiałów, budowlanych i przemysłowych. Jej kluczowe cechy to:
* **Wysoka Wydajność:** Pojemność 800 ml/obr, maksymalne ciśnienie wejściowe 16 MPa i znamionowy przepływ 60 l/min zapewniają wydajne i responsywne sterowanie.
* **Trwała Konstrukcja:** Wykonana z żeliwa dla najwyższej wytrzymałości i długowieczności, odporna na zużycie w trudnych warunkach eksploatacji.
* **Konfigurowalny Blok Zaworowy:** Umożliwia dopasowanie konfiguracji do specyficznych wymagań aplikacji, oferując elastyczność i optymalną wydajność.
* **Wszechstronne Zastosowania:** Nadaje się do szerokiej gamy sprzętu, w tym ładowarek teleskopowych, wózków widłowych, ładowarek typu skid steer, kompaktowych ładowarek kołowych, ładowarek kołowych, koparko-ładowarek, minikoparek i midikoparek.
* **Globalny Zasięg:** Oferujemy usługi produkcyjne, OEM, ODM i hurtowe, obsługując rynki globalne i aktywnie poszukując dystrybutorów, dealerów i agentów.
TLF-E800 oferuje ekonomiczne rozwiązanie dla producentów poszukujących wysokiej jakości, niezawodnych hydraulicznych jednostek sterujących. Jego konfigurowalny blok zaworowy umożliwia łatwą integrację z różnorodnymi konstrukcjami maszyn, czyniąc go wszechstronnym wyborem do różnych zastosowań. Skontaktuj się z nami już dziś, aby omówić swoje specyficzne wymagania i zbadać możliwości partnerstwa.



