Szybka dostawa
30-dniowa dostawa ekspresowa



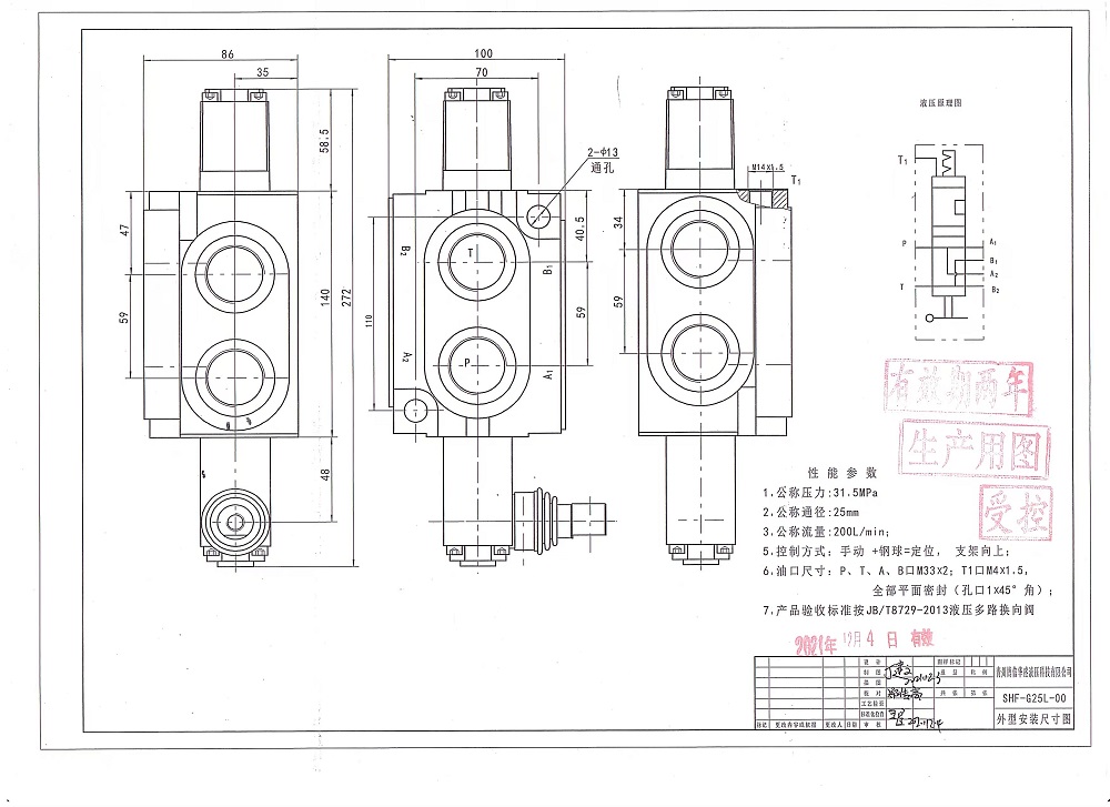
Ręczny jednosekcyjny rozdzielacz monoblokowy kierunkowy SHFY-G25L-00 to kompaktowy, niezawodny i wysokowydajny zawór, zaprojektowany do różnych zastosowań w transporcie materiałów, budownictwie, rolnictwie i pojazdach przemysłowych. Dzięki swojej jednosekcyjnej konstrukcji, ręcznemu sterowaniu oraz wysokiej wydajności przepływu i ciśnienia, zawór ten zapewnia precyzyjne i efektywne sterowanie systemami hydraulicznymi.
| Seria SHFY-G25L-00 Zawór sterujący jednoczęściowy Parameters | |
|---|---|
| Metoda sterowania | Ręczna, Hydrauliczna |
| Szpula | 1 Szpula |
| Przepływ znamionowy | 200 l/min (52 galonów amerykańskich na min) |
| Maksymalne ciśnienie | 315 bar (4600 psi) |
| Port wlotowy | M33×2.0 |
| Port wylotowy | M33×2.0 |
| Rozmiar portu | M33×2.0 |
| Sekcja | 1 Sekcja |
| Typ konstrukcji | Zawór blokowy |
| Zakres temperatury otoczenia | -40°C do +80°C (-40°F do +176°F) |
| Zakres lepkości roboczej | 12 - 400 mm²/s (12 cSt do 400 cSt) |
**Cechy i Korzyści Produktu:**
* **Trwała Konstrukcja:** Wykonany z wysokiej jakości materiałów, aby zapewnić długowieczność i niezawodność w wymagających zastosowaniach.
* **Modułowa Konstrukcja:** Umożliwia łatwe dostosowanie i integrację z różnymi systemami hydraulicznymi.
* **Wszechstronne Sterowanie:** Zapewnia precyzyjne sterowanie przepływem i ciśnieniem hydraulicznym, umożliwiając optymalną wydajność podłączonego sprzętu.
* **Szeroki Zakres Roboczy:** Może obsługiwać szeroki zakres natężeń przepływu, ciśnień i temperatur, zapewniając kompatybilność z różnymi zastosowaniami.
* **Wysoka Wydajność:** Minimalizuje spadek ciśnienia i zużycie energii, zwiększając ogólną wydajność systemu.
**Zastosowania:**
Ręczny jednosekcyjny rozdzielacz monoblokowy kierunkowy SHFY-G25L-00 znajduje zastosowanie w wielu systemach hydraulicznych, w tym:
* Sprzęt do transportu materiałów (wózki widłowe, dźwigi, ładowarki teleskopowe)
* Maszyny budowlane (koparki, ładowarki, równiarki)
* Sprzęt rolniczy (ciągniki, kombajny, prasy)
* Pojazdy przemysłowe (zamiatarki, kompaktory odpadów, hakowce)
* I wiele innych...



