Szybka dostawa
30-dniowa dostawa ekspresowa



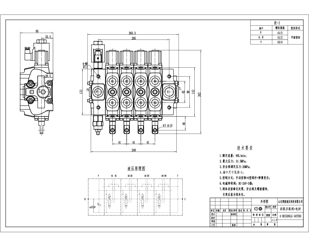
SD8-Elektryczny zawór rozładowczy, ręczny, 4-suwakowy, sekcyjny zawór kierunkowy to wysokowydajny zawór hydrauliczny zaprojektowany do wymagających zastosowań w różnych gałęziach przemysłu i urządzeniach mobilnych. Dzięki ręcznemu sterowaniu, 4-sekcyjnej konstrukcji suwaka i sekcyjnej strukturze zaworu, oferuje precyzyjną i niezawodną kontrolę przepływu w układach hydraulicznych.
| Seria SD8 Zawór kierunkowy sekcyjny Parameters | |
|---|---|
| Szpula | 1 Szpula, 2 Szpule, 3 Szpule, 4 Szpule, 5 Szpul, 6 Szpul, 7 Szpul, 8 Szpul, 9 Szpul, 10 Szpul |
| Metoda sterowania | Ręczna, Pneumatyczna, Elektropneumatyczna, Elektrohydrauliczna, Elektromagnes, Hydrauliczna, Hydrauliczny i ręczny, Kabel, Dźwignia sterownicza, Elektromagnes i joystick, Ręczna i joystick |
| Rozmiar portu | G1/2, SAE 10 |
| Sekcja | 1 Sekcja, 2 Sekcje, 3 Sekcje, 4 Sekcje, 5 Sekcji, 6 Sekcji, 7 Sekcji, 8 Sekcji, 9 Sekcji, 10 Sekcji |
| Zakres temperatury otoczenia | -40°C do +80°C (-40°F do +176°F) |
| Zakres lepkości roboczej | 12 - 400 mm²/s (12 cSt do 400 cSt) |
| Port wylotowy | G1/2, G3/4, SAE 10, 3/4 NPT |
| Maksymalne ciśnienie | 250 bar (3600 psi), 350 bar (5100 psi) |
| Przepływ znamionowy | 90 l/min (23,8 USGPM) |
| Typ konstrukcji | Zawór sekcyjny |
| Port wlotowy | G1/2, G3/4, SAE 10 |
**Cechy produktu i korzyści:**
* Sterowanie ręczne dla precyzyjnej i responsywnej pracy
* Konstrukcja 4-sekcyjnego suwaka dla wszechstronnej kontroli przepływu
* Sekcyjna struktura zaworu umożliwia łatwą integrację i modułowość
* Nominalny przepływ 90 L/min (23.8 US gpm) dla efektywnej pracy hydraulicznej
* Maksymalne ciśnienie 350 bar (5100 psi) dla wymagających zastosowań
* Szeroki zakres lepkości roboczej 12 - 400 mm²/s (12 cSt do 400 cSt) dla kompatybilności z różnymi płynami hydraulicznymi
**Zastosowania:**
SD8-Elektryczny zawór rozładowczy, ręczny, 4-suwakowy, sekcyjny zawór kierunkowy nadaje się do szerokiego zakresu zastosowań, w tym:
* Urządzenia do transportu materiałów (wózki widłowe, ładowarki teleskopowe, żurawie)
* Maszyny budowlane i ziemne (koparki, ładowarki, równiarki)
* Maszyny rolnicze (ciągniki, kombajny, prasy)
* Pojazdy przemysłowe (zamiatarki, kompaktory odpadów, hakowce)



