Szybka dostawa
30-dniowa dostawa ekspresowa



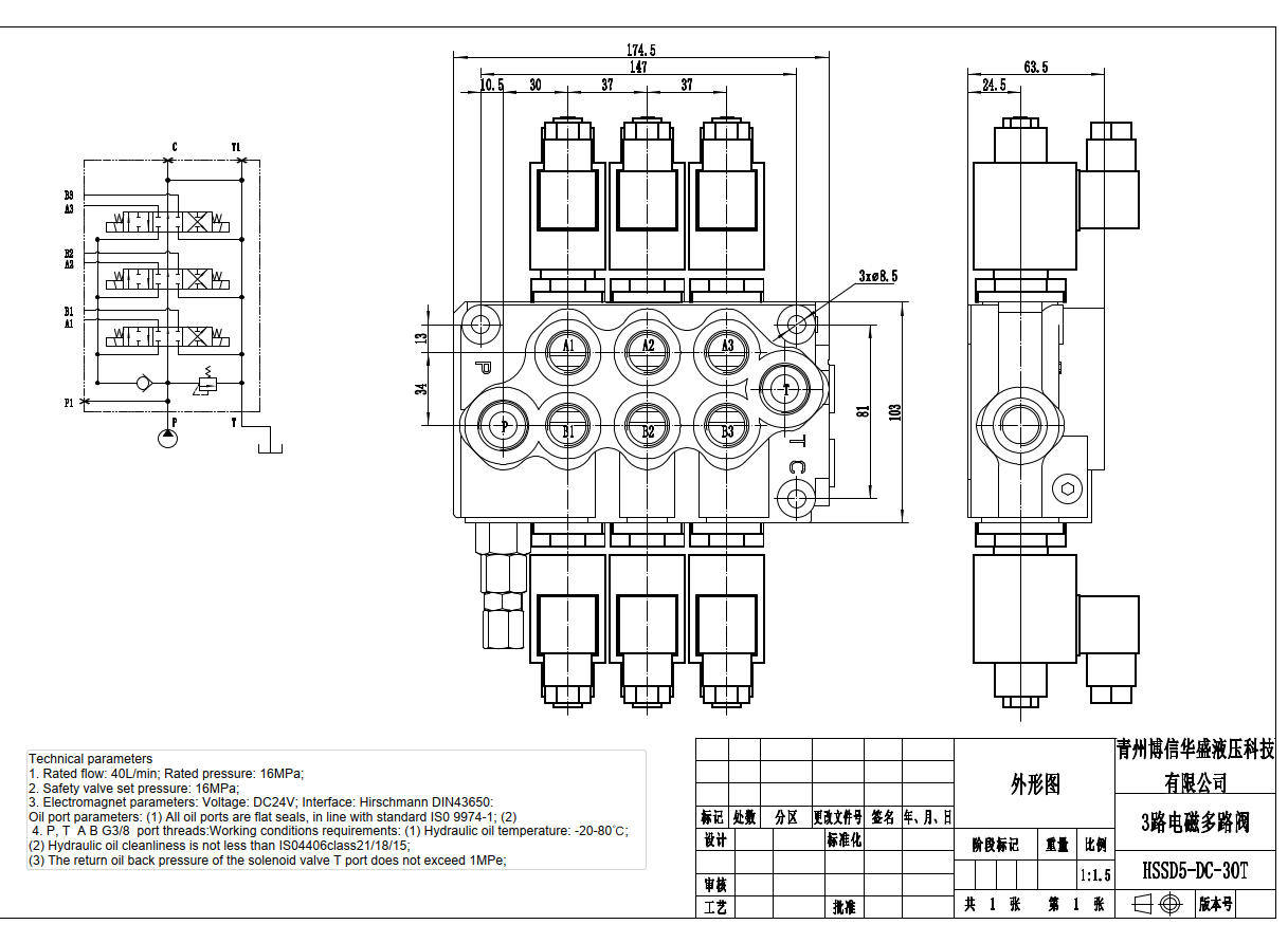
Monoblokowy zawór kierunkowy SD5 z 3 sekcjami i sterowaniem solenoidem to wysokowydajny zawór hydrauliczny przeznaczony do wymagających zastosowań. Ze znamionowym przepływem 40 L/min i maksymalnym ciśnieniem 305 bar, oferuje doskonałą kontrolę przepływu i zdolności obsługi ciśnienia. Kompaktowa monoblokowa konstrukcja zaworu zapewnia trwałość i niezawodność w trudnych warunkach pracy.
| Seria SD5 Zawór sterujący jednoczęściowy Parameters | |
|---|---|
| Metoda sterowania | Ręczna, Pneumatyczna, Elektropneumatyczna, Elektrohydrauliczna, Elektromagnes, Hydrauliczna, Hydrauliczny i ręczny, Kabel, Dźwignia sterownicza |
| Szpula | 1 Szpula, 2 Szpule, 3 Szpule, 4 Szpule, 5 Szpul, 6 Szpul |
| Przepływ znamionowy | 40 l/min (10,5 USGPM) |
| Maksymalne ciśnienie | 305 bar (4400 psi) |
| Port wlotowy | G3/8, G1/2, M18×1.5, M20×1.5, SAE 6, SAE 8, G1-1/2 |
| Port wylotowy | G3/8, G1/2, M18×1.5, M20×1.5, SAE 6, SAE 8 |
| Rozmiar portu | G3/8, G1/2, M18×1.5, M20×1.5, SAE 6, SAE 8 |
| Sekcja | 1 Sekcja, 2 Sekcje, 3 Sekcje, 4 Sekcje, 5 Sekcji, 6 Sekcji, 7 Sekcji |
| Typ konstrukcji | Zawór blokowy |
| Zakres temperatury otoczenia | -40°C do +60°C (-40°F do +140°F) |
| Zakres lepkości roboczej | 15 - 75 mm²/s (15 cSt do 75 cSt) |
**Cechy i korzyści:**
* Kompaktowa monoblokowa konstrukcja zapewniająca trwałość i niezawodność
* Konstrukcja 3-sekcyjna dla wszechstronnej kontroli przepływu
* Sterowanie solenoidem (elektromagnetyczne) dla precyzyjnej i responsywnej pracy
* Znamionowy przepływ 40 L/min dla efektywnego zarządzania płynem
* Maksymalne ciśnienie 305 bar do wymagających zastosowań
* Zakres lepkości roboczej 15 - 75 mm²/s dla kompatybilności z różnymi płynami
* Zakres temperatury otoczenia od -40°C do +60°C dla pracy w ekstremalnych warunkach
**Zastosowania:**
* Mobilne systemy hydrauliczne
* Maszyny przemysłowe
* Sprzęt budowlany
* Maszyny rolnicze
* Urządzenia do przeładunku materiałów



