Szybka dostawa
30-dniowa dostawa ekspresowa



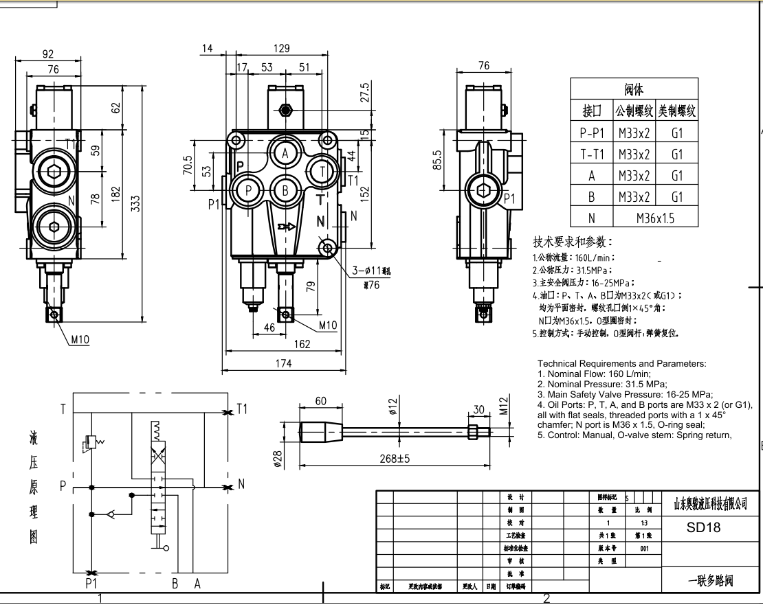
Rozdzielacz hydrauliczny monoblokowy SD18 ręczny 1 sekcja to kompaktowy i niezawodny zawór przeznaczony do szerokiego zakresu zastosowań hydraulicznych. Znamionowy przepływ 120 l/min i maksymalne ciśnienie 315 bar sprawiają, że nadaje się do stosowania w systemach o umiarkowanych wymaganiach przepływu i ciśnienia.
| Seria SD18 Zawór sterujący jednoczęściowy Parameters | |
|---|---|
| Metoda sterowania | Ręczna, Pneumatyczna, Elektropneumatyczna, Elektrohydrauliczna, Hydrauliczna, Hydrauliczny i ręczny, Kabel, Dźwignia sterownicza |
| Szpula | 1 Szpula, 2 Szpule, 3 Szpule, 4 Szpule |
| Przepływ znamionowy | 160 l/min (42,2 USGPM) |
| Maksymalne ciśnienie | 305 bar (4400 psi) |
| Port wlotowy | G1/2, G1, SAE 16 |
| Port wylotowy | G1, SAE 16 |
| Rozmiar portu | G1, SAE 16 |
| Sekcja | 1 Sekcja, 2 Sekcje, 3 Sekcje, 4 Sekcje |
| Typ konstrukcji | Zawór blokowy |
| Zakres temperatury otoczenia | -40°C do +80°C (-40°F do +176°F) |
| Zakres lepkości roboczej | 12 - 400 mm²/s (12 cSt do 400 cSt) |
**Cechy i zalety produktu:**
* Kompaktowa i lekka konstrukcja
* Ręczne sterowanie dla precyzyjnej i responsywnej pracy
* Konstrukcja monoblokowa zapewniająca trwałość i niezawodność
* Przepływ znamionowy 120 l/min dla efektywnej pracy systemu
* Maksymalne ciśnienie 315 bar do zastosowań wymagających
* Zakres lepkości roboczej 12 - 400 mm²/s dla kompatybilności z szeroką gamą płynów
* Zakres temperatury otoczenia od -40°C do +80°C do stosowania w trudnych warunkach
* 1 sekcja dla wszechstronności i kontroli
**Zastosowania:**
Rozdzielacz hydrauliczny monoblokowy SD18 ręczny 1 sekcja nadaje się do stosowania w różnych zastosowaniach hydraulicznych, w tym:
* Sprzęt do transportu materiałów
* Maszyny budowlane i ziemne
* Maszyny rolnicze
* Pojazdy przemysłowe



