Szybka dostawa
30-dniowa dostawa ekspresowa



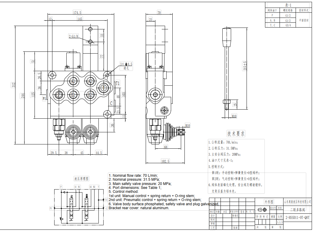
Monoblokowy rozdzielacz kierunkowy SD11 z 1 sekcją, sterowany ręcznie, jest przeznaczony do szerokiego zakresu zastosowań hydraulicznych. Dzięki znamionowemu przepływowi 70 l/min (18,5 US gpm) i maksymalnemu ciśnieniu 250 bar (3600 psi), zawór ten może sprostać wymagającym warunkom pracy. Jego kompaktowa konstrukcja monoblokowa zapewnia rozwiązanie oszczędzające miejsce, a ręczne sterowanie oferuje precyzyjną i responsywną obsługę.
| Seria SD11 Zawór sterujący jednoczęściowy Parameters | |
|---|---|
| Metoda sterowania | Ręczna, Pneumatyczna, Elektropneumatyczna, Elektrohydrauliczna, Elektromagnes, Hydrauliczna, Hydrauliczny i ręczny, Kabel, Dźwignia sterownicza, Elektryczna |
| Szpula | 1 Szpula, 2 Szpule, 3 Szpule, 4 Szpule, 5 Szpul |
| Przepływ znamionowy | 70 l/min (18,5 USGPM) |
| Maksymalne ciśnienie | 315 bar (4600 psi) |
| Port wlotowy | G3/4, SAE 12 |
| Port wylotowy | G3/4, SAE 12 |
| Rozmiar portu | G3/4, SAE 12 |
| Sekcja | 1 Sekcja, 2 Sekcje, 3 Sekcje, 4 Sekcje, 5 Sekcji, 6 Sekcji, 7 Sekcji |
| Typ konstrukcji | Zawór blokowy |
| Zakres temperatury otoczenia | -40°C do +60°C (-40°F do +140°F) |
| Zakres lepkości roboczej | 15 - 75 mm²/s (15 cSt do 75 cSt) |
**Cechy i zalety produktu:**
* Ręczne sterowanie dla precyzyjnej i responsywnej obsługi
* Konstrukcja monoblokowa dla rozwiązania oszczędzającego miejsce
* Znamionowy przepływ 70 l/min (18,5 US gpm) dla wydajnej pracy
* Maksymalne ciśnienie 250 bar (3600 psi) dla wymagających zastosowań
* Zakres lepkości roboczej 15 - 75 mm²/s (15 cSt do 75 cSt) dla wszechstronności
* Zakres temperatury otoczenia od -40°C do +60°C (-40°F do +140°F) dla ekstremalnych warunków
**Zastosowania:**
* Urządzenia do transportu materiałów
* Maszyny budowlane i ziemne
* Sprzęt rolniczy
* Pojazdy przemysłowe
* Ładowarki teleskopowe
* Wózki widłowe
* Żurawie terenowe
* Układarki
* Podesty ruchome
* Równiarki
* Koparki
* Ładowarki o sterowaniu burtowym
* Kompaktowe ładowarki kołowe
* Ładowarki kołowe
* Koparko-ładowarki
* Wywrotki
* Wiertnice do przodków
* Pompy do betonu ze składanym wysięgnikiem
* Walce drogowe
* Wiertnice obrotowe
* Kruszarki i przecinarki do kamienia
* Przesiewacze
* Ciągniki z ładowaczami czołowymi
* Kombajny
* Owjarki bel
* Koparki
* Siewniki
* Przyczepy leśne
* Opryskiwacze
* Prasy rolujące
* Łuparki do drewna
* Ładowarki skipowe
* Hakowce
* Kompaktory odpadów
* Zamiatarki



