Szybka dostawa
30-dniowa dostawa ekspresowa



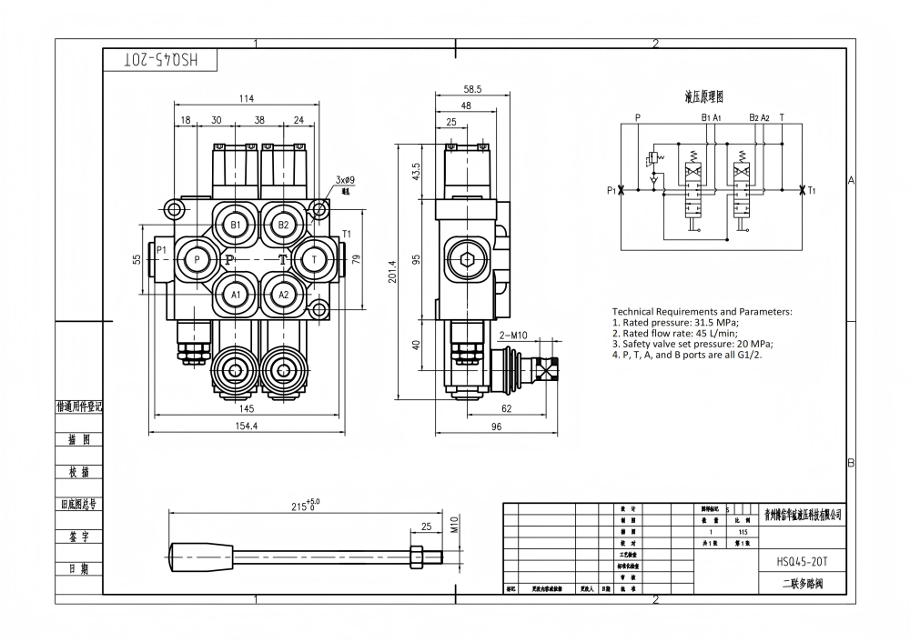
Ręczny 2-sekcyjny monoblokowy rozdzielacz hydrauliczny Q45 to wysokowydajny zawór hydrauliczny zaprojektowany do zastosowań wymagających precyzyjnej kontroli przepływu płynu. Dzięki znamionowemu przepływowi 45 L/min (11.8 US gpm) i maksymalnemu ciśnieniu 315 bar (4600 psi), zawór ten oferuje wyjątkową wydajność przepływu i trwałość. Jego kompaktowa konstrukcja monoblokowa zapewnia oszczędność miejsca w wymagających systemach hydraulicznych.
| Seria Q45 Zawór sterujący jednoczęściowy Parameters | |
|---|---|
| Metoda sterowania | Ręczna, Pneumatyczna, Elektropneumatyczna, Elektrohydrauliczna, Elektromagnes, Dźwignia sterownicza |
| Szpula | 1 Szpula, 2 Szpule, 3 Szpule, 4 Szpule, 5 Szpul, 6 Szpul, 7 Szpul |
| Przepływ znamionowy | 45 l/min (11,8 USGPM) |
| Maksymalne ciśnienie | 315 bar (4600 psi) |
| Port wlotowy | G1/2 |
| Port wylotowy | G1/2 |
| Rozmiar portu | G1/2 |
| Sekcja | 1 Sekcja, 2 Sekcje, 3 Sekcje, 4 Sekcje, 5 Sekcji, 6 Sekcji, 7 Sekcji |
| Typ konstrukcji | Zawór blokowy |
**Cechy i zalety produktu:**
* Sterowanie ręczne dla precyzyjnej regulacji przepływu
* Konstrukcja 2-sekcyjna dla wszechstronnej kontroli przepływu
* Konstrukcja monoblokowa zapewniająca kompaktową i wytrzymałą budowę
* Wysoka wydajność przepływu 45 L/min (11.8 US gpm)
* Maksymalne ciśnienie 315 bar (4600 psi)
* Trwała konstrukcja zapewniająca długą żywotność
**Zastosowania:**
Zawór ten idealnie nadaje się do zastosowania w różnych aplikacjach hydraulicznych, w tym:
* Sprzęt do transportu materiałów (wózki widłowe, żurawie, układnice)
* Maszyny budowlane (koparki, ładowarki, równiarki)
* Maszyny rolnicze (ciągniki, kombajny, prasy)
* Pojazdy przemysłowe (zamiatarki, zagęszczarki, maszyny do obsługi odpadów)



