Szybka dostawa
30-dniowa dostawa ekspresowa



Nasza hydrauliczna pompa tłokowa P9-80-H to solidne, wysokowydajne rozwiązanie zaprojektowane do wymagających zastosowań w różnych sektorach. Wyposażona w trwałą konstrukcję z żeliwa, dwukierunkowy obrót i elastyczne opcje montażu ISO/UNI, zapewnia niezawodną moc do 30 MPa (4351 psi) przy prędkościach do 1300 obr./min. Idealna do maszyn ciężkich, pompa ta zapewnia wydajną i precyzyjną kontrolę hydrauliczną dla globalnych producentów OEM, projektów niestandardowych i dystrybucji hurtowej.
| Seria P Pompa hydrauliczna tłokowa Parameters | |
|---|---|
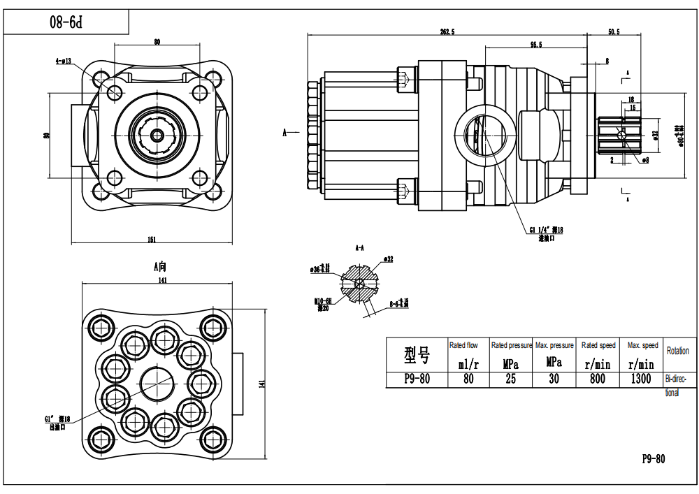
| Pojemność skokowa | 40 cm³/obrót, 63 cm³/obrót, 80 cm³/obrót |
| Ciśnienie znamionowe | 25 MPa (3625 psi) |
| Maksymalne ciśnienie | 30 MPa (4351 psi) |
| Prędkość znamionowa | Prędkość obrotowa 800 obr/min |
| Maksymalna prędkość | 1300 obr./min |
| Kierunek obrotu | Dwukierunkowy |
| Struktura | Zewnętrzna pompa zębata, Wewnętrzna pompa zębata |
| Materiał | Żeliwo |
| Wersja kołnierza | Otwory montażowe ISO-4, Otwory montażowe UNI-3 |
| Typ wału | Nacięcie prostokątne H |
Ta hydrauliczna pompa tłokowa P9-80-H została zaprojektowana z myślą o wyjątkowej wydajności i trwałości w krytycznych systemach hydraulicznych. Jako wiodący producent, oferujemy ten produkt dla produkcji, OEM, ODM, marek własnych i sprzedaży hurtowej, poszukując globalnych dystrybutorów, hurtowników, agentów i handlowców.
**Cechy i zalety produktu:**
* **Wysokie ciśnienie robocze:** Znamionowe ciągłe ciśnienie robocze 25 MPa (3625 psi) i zdolność do obsługi maksymalnego ciśnienia do 30 MPa (4351 psi), co zapewnia niezawodność w wymagających zastosowaniach.
* **Zoptymalizowany zakres prędkości:** Działa wydajnie przy znamionowej prędkości 800 obr./min, z maksymalną prędkością 1300 obr./min, oferując elastyczność dla różnych wymagań operacyjnych.
* **Dwukierunkowy obrót:** Zaprojektowana do wszechstronnej integracji w różnorodne obwody hydrauliczne, umożliwiając płynną pracę niezależnie od kierunku obrotu.
* **Trwała konstrukcja:** Wyprodukowana z wysokiej jakości żeliwa, gwarantuje doskonałą odporność na zużycie, wydłużoną żywotność i solidną wydajność w trudnych warunkach pracy.
* **Elastyczne opcje montażu:** Wyposażona w otwory montażowe ISO-4 i UNI-3, zapewniając szeroką kompatybilność i łatwość instalacji na różnych platformach maszynowych.
* **Standardowy typ wału:** Posiada wał wielowypustowy H: prostokątny, zapewniający niezawodne przenoszenie mocy i kompatybilność ze standardowymi układami napędowymi.
* **Niezawodność pompy tłokowej:** Wykorzystuje zaawansowaną technologię pomp tłokowych, znaną z wysokiej sprawności objętościowej, precyzyjnej kontroli i solidnego dostarczania mocy, co czyni ją lepszą do wymagających zadań niż pompy zębate.
**Scenariusze zastosowań:**
* **Budownictwo i roboty ziemne:** Zasilanie funkcji hydraulicznych w ciężkich maszynach, takich jak ładowarki kołowe, koparkoładowarki, minikoparki, żurawie terenowe, równiarki drogowe i pompy do betonu.
* **Obsługa materiałów:** Niezbędna do precyzyjnych i mocnych mechanizmów podnoszenia w ładowarkach teleskopowych, wózkach widłowych, układarkach i platformach roboczych.
* **Rolnictwo:** Napędzanie systemów hydraulicznych w ciągnikach, ładowarkach czołowych, kombajnach, opryskiwaczach, prasach rolujących i innych ciężkich maszynach rolniczych.
* **Pojazdy przemysłowe:** Stosowana w specjalistycznych pojazdach przemysłowych i komunalnych, takich jak zagęszczarki odpadów, hakowce, urządzenia do załadunku kontenerów i zamiatarki.
* **OEM i rozwiązania niestandardowe:** Idealny komponent dla producentów poszukujących wysokowydajnych, trwałych pomp hydraulicznych do nowych projektów sprzętu lub specjalistycznych, niestandardowych integracji systemów hydraulicznych na całym świecie.



