Szybka dostawa
30-dniowa dostawa ekspresowa



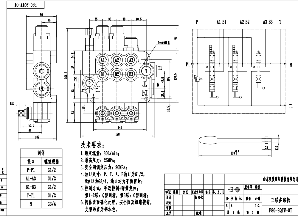
P80-G12-2QTW-OT to ręczny 3-sekcyjny rozdzielacz monoblokowy przeznaczony do układów hydraulicznych. Oferuje przepływ znamionowy 80 l/min, maksymalne ciśnienie 250 bar oraz zakres lepkości roboczej 15 - 75 mm²/s. Zawór ten jest powszechnie stosowany w różnych zastosowaniach w branżach takich jak transport materiałów, budownictwo, roboty ziemne i rolnictwo.
| Seria P80 Zawór sterujący jednoczęściowy Parameters | |
|---|---|
| Szpula | 1 Szpula, 2 Szpule, 3 Szpule, 4 Szpule, 5 Szpul, 6 Szpul, 7 Szpul |
| Metoda sterowania | Ręczna, Pneumatyczna, Elektropneumatyczna, Elektrohydrauliczna, Elektromagnes, Hydrauliczna, Hydrauliczny i ręczny, Kabel, Dźwignia sterownicza |
| Rozmiar portu | G1/2, G3/4, M22×1.5, M27×2.0, SAE 10, 1/2 NPT, 3/4 NPT |
| Sekcja | 1 Sekcja, 2 Sekcje, 3 Sekcje, 4 Sekcje, 5 Sekcji, 6 Sekcji, 7 Sekcji |
| Zakres temperatury otoczenia | -40°C do +80°C (-40°F do +176°F) |
| Zakres lepkości roboczej | 15 - 75 mm²/s (15 cSt do 75 cSt) |
| Maksymalne ciśnienie | 315 bar (4600 psi) |
| Przepływ znamionowy | 80 l/min (21,2 USGPM) |
| Typ konstrukcji | Zawór blokowy |
| Port wlotowy | G1/2, G3/4, M27×2.0, SAE 10, SAE 12, 1/2 NPT, 3/4 NPT |
**Cechy i zalety produktu:**
* Sterowanie ręczne dla precyzyjnej pracy
* Konstrukcja monoblokowa zapewniająca trwałość i kompaktowy rozmiar
* Wysoka wydajność przepływu 80 l/min dla efektywnej pracy systemu
* Maksymalne ciśnienie 250 bar do wymagających zastosowań
* Szeroki zakres lepkości roboczej dla kompatybilności z różnymi płynami hydraulicznymi
* Nadaje się do temperatur otoczenia od -40°C do +80°C
**Zastosowania:**
Ręczny rozdzielacz P80-G12-2QTW-OT jest szeroko stosowany w układach hydraulicznych maszyn mobilnych i przemysłowych, w tym:
* Sprzęt do transportu materiałów, taki jak wózki widłowe, ładowarki teleskopowe i żurawie
* Maszyny budowlane i do robót ziemnych, takie jak koparki, ładowarki i równiarki
* Maszyny rolnicze, takie jak ciągniki, kombajny i prasy do bel
* Pojazdy przemysłowe, takie jak zamiatarki, kompaktory odpadów i hakowce



