Szybka dostawa
30-dniowa dostawa ekspresowa



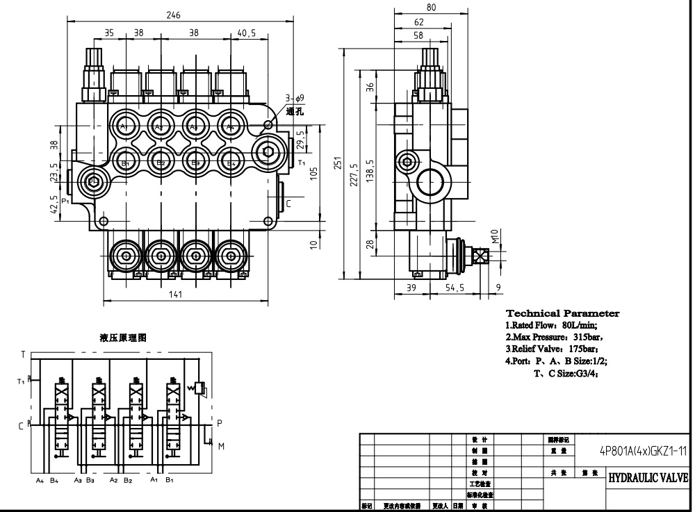
Ręczny 4-sekcyjny rozdzielacz hydrauliczny monoblokowy P80-G12-G34-OT to wszechstronny i trwały komponent zaprojektowany do szerokiego zakresu zastosowań hydraulicznych. Dzięki znamionowemu przepływowi 80 L/min (21,2 US gpm) i maksymalnemu ciśnieniu 250 bar (3600 psi), zawór ten może obsługiwać wymagające systemy hydrauliczne. Jego kompaktowa konstrukcja monoblokowa zapewnia łatwą instalację i konserwację.
| Seria P80 Zawór sterujący jednoczęściowy Parameters | |
|---|---|
| Szpula | 1 Szpula, 2 Szpule, 3 Szpule, 4 Szpule, 5 Szpul, 6 Szpul, 7 Szpul |
| Metoda sterowania | Ręczna, Pneumatyczna, Elektropneumatyczna, Elektrohydrauliczna, Elektromagnes, Hydrauliczna, Hydrauliczny i ręczny, Kabel, Dźwignia sterownicza |
| Rozmiar portu | G1/2, G3/4, M22×1.5, M27×2.0, SAE 10, 1/2 NPT, 3/4 NPT |
| Sekcja | 1 Sekcja, 2 Sekcje, 3 Sekcje, 4 Sekcje, 5 Sekcji, 6 Sekcji, 7 Sekcji |
| Zakres temperatury otoczenia | -40°C do +80°C (-40°F do +176°F) |
| Zakres lepkości roboczej | 15 - 75 mm²/s (15 cSt do 75 cSt) |
| Maksymalne ciśnienie | 315 bar (4600 psi) |
| Przepływ znamionowy | 80 l/min (21,2 USGPM) |
| Typ konstrukcji | Zawór blokowy |
| Port wlotowy | G1/2, G3/4, M27×2.0, SAE 10, SAE 12, 1/2 NPT, 3/4 NPT |
**Cechy i zalety produktu:**
* **Kompaktowa konstrukcja monoblokowa:** Łatwa instalacja i konserwacja
* **Wysoka wydajność przepływu (80 L/min):** Nadaje się do wymagających systemów hydraulicznych
* **Wysokie ciśnienie znamionowe (250 bar):** Może wytrzymać wysokie ciśnienie w systemie
* **Sterowanie ręczne:** Precyzyjna i responsywna obsługa
* **Szeroki zakres lepkości roboczej (15 - 75 mm²/s):** Może obsługiwać różne płyny hydrauliczne
* **Trwała konstrukcja:** Zapewnia długą żywotność
**Zastosowania:**
Ręczny 4-sekcyjny rozdzielacz hydrauliczny monoblokowy P80-G12-G34-OT jest szeroko stosowany w różnych zastosowaniach hydraulicznych, w tym:
* Sprzęt do transportu materiałów (np. wózki widłowe, ładowarki teleskopowe)
* Maszyny budowlane i ziemne (np. koparki, ładowarki)
* Maszyny rolnicze (np. ciągniki, kombajny)
* Pojazdy przemysłowe (np. zamiatarki, kompaktory odpadów)



