Szybka dostawa
30-dniowa dostawa ekspresowa



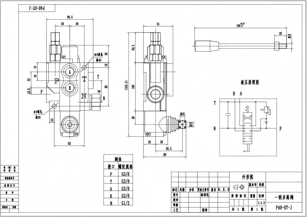
Monoblokowy rozdzielacz kierunkowy P40J z ręcznym sterowaniem, 1-suwakowy, to wysokowydajny zawór hydrauliczny zaprojektowany do precyzyjnej kontroli przepływu w różnych układach hydraulicznych. Z nominalnym przepływem 40 L/min i maksymalnym ciśnieniem 250 bar, ten zawór zapewnia niezawodną i wydajną pracę. Jego kompaktowa, monoblokowa konstrukcja gwarantuje trwałość i łatwy montaż.
| Seria P40 Zawór sterujący jednoczęściowy Parameters | |
|---|---|
| Metoda sterowania | Ręczna, Pneumatyczna, Elektropneumatyczna, Elektrohydrauliczna, Elektromagnes, Hydrauliczna, Hydrauliczny i ręczny, Kabel, Dźwignia sterownicza, Ręczna i joystick |
| Szpula | 1 Szpula, 2 Szpule, 3 Szpule, 4 Szpule, 5 Szpul, 6 Szpul, 7 Szpul |
| Przepływ znamionowy | 40 l/min (10,5 USGPM) |
| Maksymalne ciśnienie | 250 bar (3600 psi) |
| Port wlotowy | G3/8, G1/2, M18×1.5, M22×1.5, SAE 8, SAE 10, 3/8 NPT, 1/2 NPT |
| Port wylotowy | G3/8, G1/2, M18×1.5, M22×1.5, SAE 8, SAE 10, 3/8 NPT, 1/2 NPT |
| Rozmiar portu | G3/8, G1/2, M18×1.5, SAE 8, SAE 10, 3/8 NPT, 1/2 NPT |
| Sekcja | 1 Sekcja, 2 Sekcje, 3 Sekcje, 4 Sekcje, 5 Sekcji, 6 Sekcji, 7 Sekcji |
| Typ konstrukcji | Zawór blokowy |
| Zakres temperatury otoczenia | -40°C do +80°C (-40°F do +176°F) |
| Zakres lepkości roboczej | 15 - 75 mm²/s (15 cSt do 75 cSt) |
**Cechy i Zalety Produktu:**
- Ręczne sterowanie dla precyzyjnej regulacji przepływu
- Konstrukcja monoblokowa zapewniająca trwałość i kompaktowy rozmiar
- Nominalny przepływ 40 L/min dla wydajnej pracy systemu
- Maksymalne ciśnienie 250 bar do wymagających zastosowań
- Szeroki zakres lepkości roboczej (15 - 75 mm²/s) dla kompatybilności z różnymi płynami
- Zakres temperatur pracy od -40°C do +80°C dla niezawodnej pracy w różnych warunkach
**Zastosowania:**
- Układy hydrauliczne w maszynach budowlanych
- Maszyny rolnicze
- Pojazdy przemysłowe
- Urządzenia do transportu materiałów
- Ładowarki teleskopowe
- Wózki widłowe
- Żurawie terenowe
- Układarki
- Podesty ruchome
- Równiarki drogowe
- Koparki
- Ładowarki ze sterowaniem burtowym
- Kompaktowe ładowarki kołowe



