Szybka dostawa
30-dniowa dostawa ekspresowa



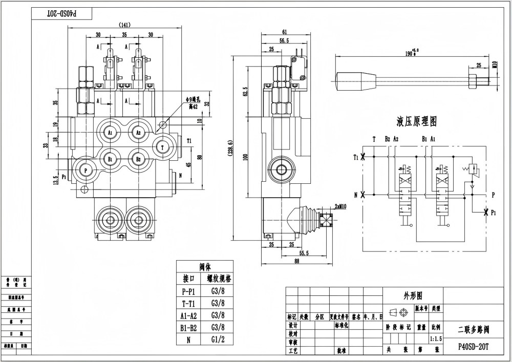
Mikroprzełącznik P40 Ręczny 2-Sekcyjny Monoblokowy Rozdzielacz Kierunkowy to kompaktowy i wysokowydajny zawór przeznaczony do różnych zastosowań w transporcie materiałów, maszynach budowlanych i ziemnych, rolnictwie oraz pojazdach przemysłowych. Dzięki ręcznemu sterowaniu, dwusekcyjnej konstrukcji i przepływowi 40 L/min, zawór ten zapewnia niezawodną i wydajną kontrolę przepływu w systemach hydraulicznych.
| Seria P40 Zawór sterujący jednoczęściowy Parameters | |
|---|---|
| Metoda sterowania | Ręczna, Pneumatyczna, Elektropneumatyczna, Elektrohydrauliczna, Elektromagnes, Hydrauliczna, Hydrauliczny i ręczny, Kabel, Dźwignia sterownicza, Ręczna i joystick |
| Szpula | 1 Szpula, 2 Szpule, 3 Szpule, 4 Szpule, 5 Szpul, 6 Szpul, 7 Szpul |
| Przepływ znamionowy | 40 l/min (10,5 USGPM) |
| Maksymalne ciśnienie | 250 bar (3600 psi) |
| Port wlotowy | G3/8, G1/2, M18×1.5, M22×1.5, SAE 8, SAE 10, 3/8 NPT, 1/2 NPT |
| Port wylotowy | G3/8, G1/2, M18×1.5, M22×1.5, SAE 8, SAE 10, 3/8 NPT, 1/2 NPT |
| Rozmiar portu | G3/8, G1/2, M18×1.5, SAE 8, SAE 10, 3/8 NPT, 1/2 NPT |
| Sekcja | 1 Sekcja, 2 Sekcje, 3 Sekcje, 4 Sekcje, 5 Sekcji, 6 Sekcji, 7 Sekcji |
| Typ konstrukcji | Zawór blokowy |
| Zakres temperatury otoczenia | -40°C do +80°C (-40°F do +176°F) |
| Zakres lepkości roboczej | 15 - 75 mm²/s (15 cSt do 75 cSt) |
**Cechy i zalety produktu:**
* Ręczne sterowanie zapewniające precyzyjną i szybką pracę
* Dwusekcyjna konstrukcja zapewniająca wszechstronną kontrolę przepływu
* Kompaktowy rozmiar ułatwiający instalację w aplikacjach o ograniczonej przestrzeni
* Wysoka przepustowość 40 L/min dla wydajnej pracy systemu
* Maksymalne ciśnienie 250 bar dla wymagających zastosowań
* Szeroki zakres lepkości roboczej zapewniający kompatybilność z różnymi płynami hydraulicznymi
* Certyfikat CE potwierdzający zgodność z europejskimi normami bezpieczeństwa
**Zastosowania:**
Mikroprzełącznik P40 Ręczny 2-Sekcyjny Monoblokowy Rozdzielacz Kierunkowy nadaje się do szerokiego zakresu zastosowań, w tym:
* Sprzęt do transportu materiałów
* Maszyny budowlane i ziemne
* Pojazdy rolnicze
* Pojazdy przemysłowe
* Sprzęt leśny



