Szybka dostawa
30-dniowa dostawa ekspresowa



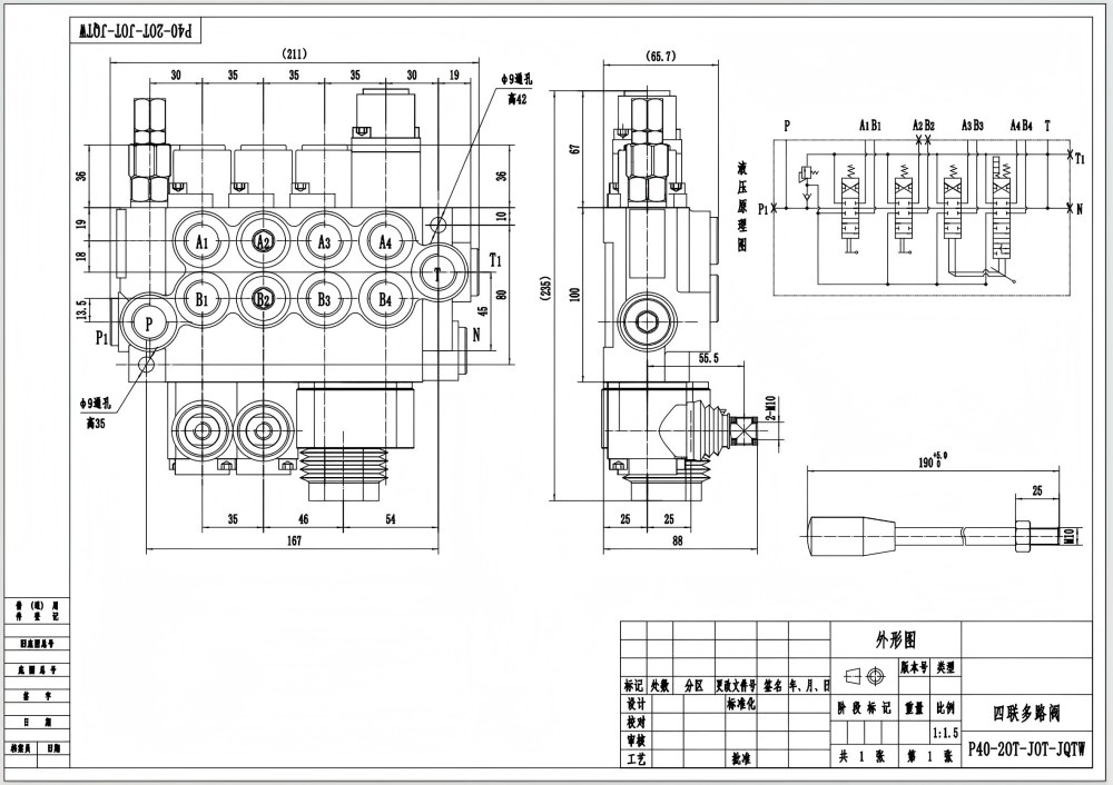
Rozdzielacz monoblokowy P40 z ręcznym i joystickowym sterowaniem, 4-sekcyjny, to wysokowydajny zawór hydrauliczny zaprojektowany do zastosowań wymagających precyzyjnej kontroli przepływu płynu. Znamionowy przepływ 40 L/min (10.5 US gpm) i maksymalne ciśnienie 250 bar (3600 psi) sprawiają, że zawór ten nadaje się do szerokiego zakresu zastosowań w branży transportu materiałów, budownictwa, rolnictwa i pojazdów przemysłowych.
| Seria P40 Zawór sterujący jednoczęściowy Parameters | |
|---|---|
| Metoda sterowania | Ręczna, Pneumatyczna, Elektropneumatyczna, Elektrohydrauliczna, Elektromagnes, Hydrauliczna, Hydrauliczny i ręczny, Kabel, Dźwignia sterownicza, Ręczna i joystick |
| Szpula | 1 Szpula, 2 Szpule, 3 Szpule, 4 Szpule, 5 Szpul, 6 Szpul, 7 Szpul |
| Przepływ znamionowy | 40 l/min (10,5 USGPM) |
| Maksymalne ciśnienie | 250 bar (3600 psi) |
| Port wlotowy | G3/8, G1/2, M18×1.5, M22×1.5, SAE 8, SAE 10, 3/8 NPT, 1/2 NPT |
| Port wylotowy | G3/8, G1/2, M18×1.5, M22×1.5, SAE 8, SAE 10, 3/8 NPT, 1/2 NPT |
| Rozmiar portu | G3/8, G1/2, M18×1.5, SAE 8, SAE 10, 3/8 NPT, 1/2 NPT |
| Sekcja | 1 Sekcja, 2 Sekcje, 3 Sekcje, 4 Sekcje, 5 Sekcji, 6 Sekcji, 7 Sekcji |
| Typ konstrukcji | Zawór blokowy |
| Zakres temperatury otoczenia | -40°C do +80°C (-40°F do +176°F) |
| Zakres lepkości roboczej | 15 - 75 mm²/s (15 cSt do 75 cSt) |
**Cechy i zalety produktu:**
* Sterowanie ręczne i joystickowe dla precyzyjnej i łatwej obsługi
* Konstrukcja monoblokowa dla zwiększonej trwałości i zmniejszonego wycieku
* 4-sekcyjna konstrukcja dla wszechstronnej kontroli przepływu
* Wydajność przepływu 40 L/min (10.5 US gpm) dla efektywnej pracy
* Maksymalne ciśnienie 250 bar (3600 psi) do wymagających zastosowań
* Szeroki zakres lepkości roboczej 15 - 75 mm²/s (15 cSt do 75 cSt) dla kompatybilności z różnymi płynami
* Szeroki zakres temperatury otoczenia od -40°C do +80°C (-40°F do +176°F) do użytku w ekstremalnych warunkach
**Zastosowania:**
* Sprzęt do transportu materiałów, taki jak wózki widłowe, ładowarki teleskopowe i żurawie
* Sprzęt budowlany, taki jak koparki, ładowarki i równiarki
* Maszyny rolnicze, takie jak ciągniki i kombajny
* Pojazdy przemysłowe, takie jak zamiatarki, zagęszczarki i pojazdy do obsługi odpadów



