Szybka dostawa
30-dniowa dostawa ekspresowa



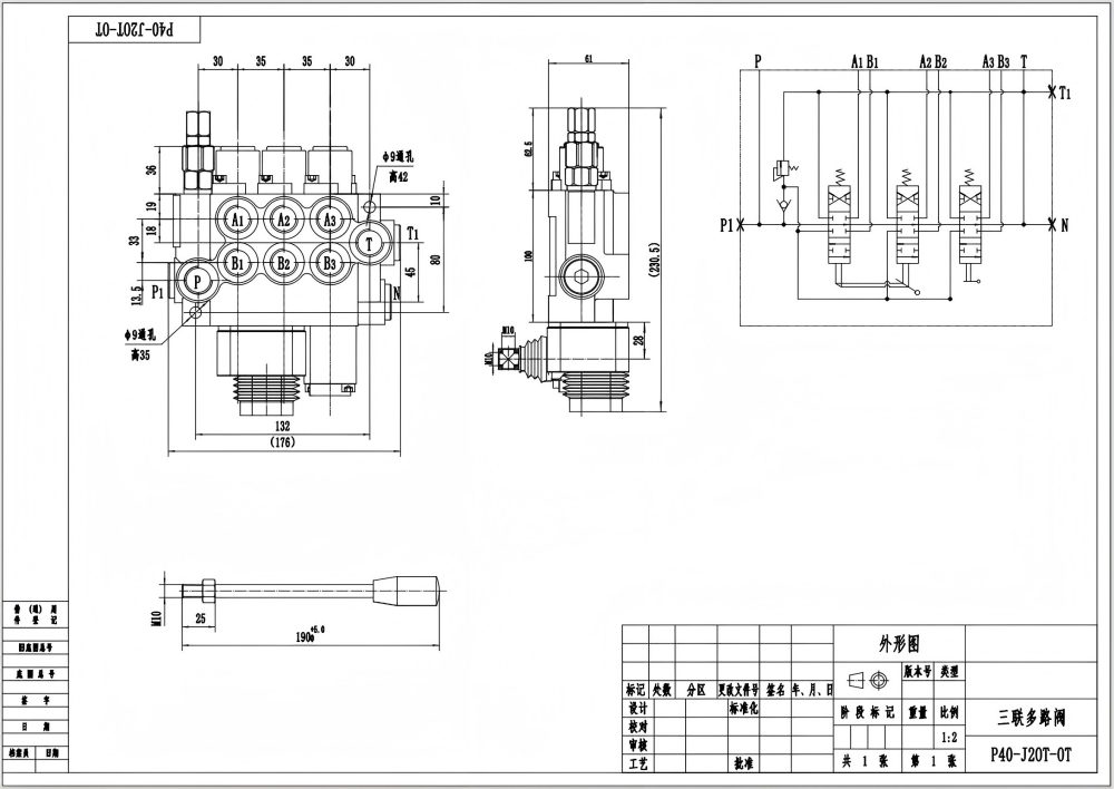
Monoblokowy Rozdzielacz Kierunkowy P40 3-sekcyjny ze Sterowaniem Ręcznym i Joystickowym to wysokowydajny zawór hydrauliczny zaprojektowany do wymagających zastosowań w różnych branżach. Ze znamionowym przepływem 40 L/min i maksymalnym ciśnieniem 250 bar, oferuje niezawodne i wydajne sterowanie przepływem. Jego wszechstronne opcje sterowania ręcznego i joystickowego sprawiają, że nadaje się do precyzyjnej pracy w różnych scenariuszach.
| Seria P40 Zawór sterujący jednoczęściowy Parameters | |
|---|---|
| Metoda sterowania | Ręczna, Pneumatyczna, Elektropneumatyczna, Elektrohydrauliczna, Elektromagnes, Hydrauliczna, Hydrauliczny i ręczny, Kabel, Dźwignia sterownicza, Ręczna i joystick |
| Szpula | 1 Szpula, 2 Szpule, 3 Szpule, 4 Szpule, 5 Szpul, 6 Szpul, 7 Szpul |
| Przepływ znamionowy | 40 l/min (10,5 USGPM) |
| Maksymalne ciśnienie | 250 bar (3600 psi) |
| Port wlotowy | G3/8, G1/2, M18×1.5, M22×1.5, SAE 8, SAE 10, 3/8 NPT, 1/2 NPT |
| Port wylotowy | G3/8, G1/2, M18×1.5, M22×1.5, SAE 8, SAE 10, 3/8 NPT, 1/2 NPT |
| Rozmiar portu | G3/8, G1/2, M18×1.5, SAE 8, SAE 10, 3/8 NPT, 1/2 NPT |
| Sekcja | 1 Sekcja, 2 Sekcje, 3 Sekcje, 4 Sekcje, 5 Sekcji, 6 Sekcji, 7 Sekcji |
| Typ konstrukcji | Zawór blokowy |
| Zakres temperatury otoczenia | -40°C do +80°C (-40°F do +176°F) |
| Zakres lepkości roboczej | 15 - 75 mm²/s (15 cSt do 75 cSt) |
**Cechy i Zalety Produktu:**
* Sterowanie ręczne i joystickowe dla precyzyjnej i wszechstronnej obsługi
* Konstrukcja 3-sekcyjna dla niezależnego sterowania wieloma obwodami hydraulicznymi
* Konstrukcja monoblokowa dla kompaktowych rozmiarów i zmniejszonych wycieków
* Znamionowy przepływ 40 L/min dla wydajnej pracy
* Maksymalne ciśnienie 250 bar dla wymagających zastosowań
* Zakres lepkości roboczej 15 - 75 mm²/s dla kompatybilności z różnymi płynami hydraulicznymi
* Zakres temperatury otoczenia od -40°C do +80°C dla pracy w różnorodnych środowiskach
**Zastosowania:**
Monoblokowy Rozdzielacz Kierunkowy P40 3-sekcyjny ze Sterowaniem Ręcznym i Joystickowym jest szeroko stosowany w różnych branżach, w tym:
* Sprzęt do transportu materiałów (wózki widłowe, ładowarki teleskopowe, sztaplarki)
* Maszyny budowlane (koparki, ładowarki, dźwigi)
* Maszyny rolnicze (ciągniki, kombajny, prasy do siana)
* Pojazdy przemysłowe (zamiatarki, kompaktory odpadów, hakowce)



