Szybka dostawa
30-dniowa dostawa ekspresowa



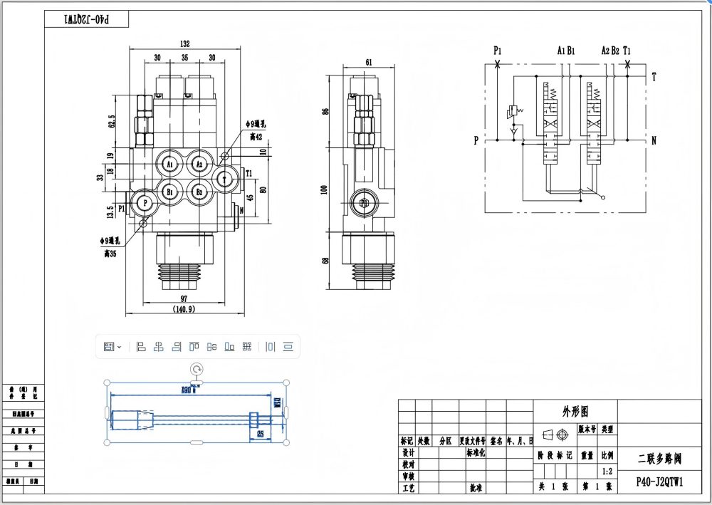
Rozdzielacz Kierunkowy Monoblokowy P40 Ręczny i Joystick 2-Sekcyjny to wysokowydajny zawór hydrauliczny zaprojektowany do wymagających zastosowań. Dzięki przepływowi znamionowemu 40 l/min i maksymalnemu ciśnieniu 250 bar, zapewnia precyzyjną kontrolę przepływu i kierunku płynu. Jego kompaktowa konstrukcja monoblokowa zapewnia trwałość i niezawodność, a opcje sterowania ręcznego i joystickiem oferują wszechstronność i łatwość obsługi.
| Seria P40 Zawór sterujący jednoczęściowy Parameters | |
|---|---|
| Metoda sterowania | Ręczna, Pneumatyczna, Elektropneumatyczna, Elektrohydrauliczna, Elektromagnes, Hydrauliczna, Hydrauliczny i ręczny, Kabel, Dźwignia sterownicza, Ręczna i joystick |
| Szpula | 1 Szpula, 2 Szpule, 3 Szpule, 4 Szpule, 5 Szpul, 6 Szpul, 7 Szpul |
| Przepływ znamionowy | 40 l/min (10,5 USGPM) |
| Maksymalne ciśnienie | 250 bar (3600 psi) |
| Port wlotowy | G3/8, G1/2, M18×1.5, M22×1.5, SAE 8, SAE 10, 3/8 NPT, 1/2 NPT |
| Port wylotowy | G3/8, G1/2, M18×1.5, M22×1.5, SAE 8, SAE 10, 3/8 NPT, 1/2 NPT |
| Rozmiar portu | G3/8, G1/2, M18×1.5, SAE 8, SAE 10, 3/8 NPT, 1/2 NPT |
| Sekcja | 1 Sekcja, 2 Sekcje, 3 Sekcje, 4 Sekcje, 5 Sekcji, 6 Sekcji, 7 Sekcji |
| Typ konstrukcji | Zawór blokowy |
| Zakres temperatury otoczenia | -40°C do +80°C (-40°F do +176°F) |
| Zakres lepkości roboczej | 15 - 75 mm²/s (15 cSt do 75 cSt) |
**Cechy i Korzyści Produktu:**
- Przepływ znamionowy 40 L/min (10.5 US gpm) dla efektywnej kontroli przepływu
- Maksymalne ciśnienie 250 bar (3600 psi) dla niezawodnej pracy w systemach wysokociśnieniowych
- Opcje sterowania ręcznego i joystickiem zapewniają elastyczność i łatwość obsługi
- Konstrukcja monoblokowa dla zwiększonej trwałości i zmniejszonych wycieków
- Zakres lepkości roboczej 15 - 75 mm²/s (15 cSt do 75 cSt) dla kompatybilności z różnymi płynami
- Zakres temperatury otoczenia od -40°C do +80°C (-40°F do +176°F) do stosowania w ekstremalnych warunkach temperaturowych
**Zastosowania:**
- Urządzenia do transportu materiałów
- Maszyny budowlane i ziemne
- Maszyny rolnicze
- Pojazdy przemysłowe



