Szybka dostawa
30-dniowa dostawa ekspresowa



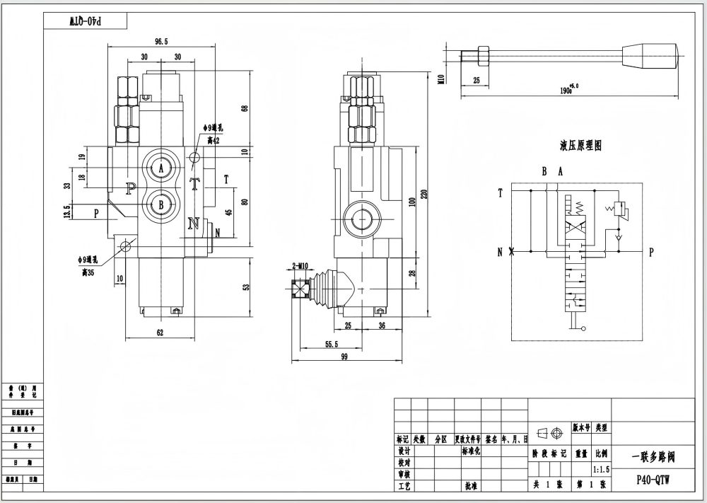
P40-G38-OT Ręczny rozdzielacz monoblokowy 1-sekcyjny to wysokowydajny zawór hydrauliczny zaprojektowany do różnych zastosowań w branżach takich jak transport materiałów, budownictwo, rolnictwo i pojazdy przemysłowe. Charakteryzuje się kompaktową, monoblokową konstrukcją, ręcznym sterowaniem oraz znamionowym przepływem 40 l/min (10,5 US gpm), co czyni go odpowiednim dla szerokiej gamy systemów hydraulicznych.
| Seria P40 Zawór sterujący jednoczęściowy Parameters | |
|---|---|
| Metoda sterowania | Ręczna, Pneumatyczna, Elektropneumatyczna, Elektrohydrauliczna, Elektromagnes, Hydrauliczna, Hydrauliczny i ręczny, Kabel, Dźwignia sterownicza, Ręczna i joystick |
| Szpula | 1 Szpula, 2 Szpule, 3 Szpule, 4 Szpule, 5 Szpul, 6 Szpul, 7 Szpul |
| Przepływ znamionowy | 40 l/min (10,5 USGPM) |
| Maksymalne ciśnienie | 250 bar (3600 psi) |
| Port wlotowy | G3/8, G1/2, M18×1.5, M22×1.5, SAE 8, SAE 10, 3/8 NPT, 1/2 NPT |
| Port wylotowy | G3/8, G1/2, M18×1.5, M22×1.5, SAE 8, SAE 10, 3/8 NPT, 1/2 NPT |
| Rozmiar portu | G3/8, G1/2, M18×1.5, SAE 8, SAE 10, 3/8 NPT, 1/2 NPT |
| Sekcja | 1 Sekcja, 2 Sekcje, 3 Sekcje, 4 Sekcje, 5 Sekcji, 6 Sekcji, 7 Sekcji |
| Typ konstrukcji | Zawór blokowy |
| Zakres temperatury otoczenia | -40°C do +80°C (-40°F do +176°F) |
| Zakres lepkości roboczej | 15 - 75 mm²/s (15 cSt do 75 cSt) |
Cechy i zalety produktu:
* Kompaktowa konstrukcja monoblokowa zapewniająca oszczędność miejsca podczas instalacji
* Ręczne sterowanie dla precyzyjnej i niezawodnej pracy
* Zdolność przepływu 40 l/min (10,5 US gpm) w celu zaspokojenia wymagań różnych zastosowań
* Trwała konstrukcja zapewnia długą żywotność i niezawodność
* Wszechstronna konstrukcja kompatybilna z szeroką gamą systemów hydraulicznych
Zastosowania:
P40-G38-OT Ręczny rozdzielacz monoblokowy 1-sekcyjny jest powszechnie stosowany w systemach hydraulicznych do różnych zastosowań, w tym:
* Sprzęt do transportu materiałów, taki jak wózki widłowe, ładowarki teleskopowe i żurawie
* Maszyny budowlane, takie jak koparki, ładowarki i równiarki
* Sprzęt rolniczy, taki jak ciągniki, kombajny i prasy do bel
* Pojazdy przemysłowe, takie jak zamiatarki, zagęszczarki i maszyny do obsługi odpadów



