Szybka dostawa
30-dniowa dostawa ekspresowa



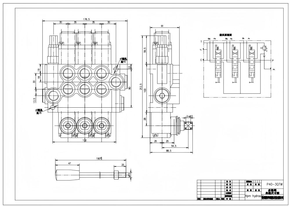
Ręczny 3-szpulowy jednobryłowy zawór kierunkowy P40-G38-G12-OT to wysokowydajny zawór hydrauliczny przeznaczony do wymagających zastosowań. Znamionowy przepływ wynoszący 40 l/min (10,5 US gpm) i maksymalne ciśnienie 250 bar (3600 psi) zapewniają niezawodną i wydajną kontrolę przepływu. Jego jednobryłowa konstrukcja gwarantuje trwałość i minimalizuje wycieki, a ręczne sterowanie umożliwia precyzyjną i szybką pracę. Zawór nadaje się do szerokiego zakresu zastosowań, w tym do obsługi materiałów, budownictwa, rolnictwa i pojazdów przemysłowych.
| Seria P40 Zawór sterujący jednoczęściowy Parameters | |
|---|---|
| Metoda sterowania | Ręczna, Pneumatyczna, Elektropneumatyczna, Elektrohydrauliczna, Elektromagnes, Hydrauliczna, Hydrauliczny i ręczny, Kabel, Dźwignia sterownicza, Ręczna i joystick |
| Szpula | 1 Szpula, 2 Szpule, 3 Szpule, 4 Szpule, 5 Szpul, 6 Szpul, 7 Szpul |
| Przepływ znamionowy | 40 l/min (10,5 USGPM) |
| Maksymalne ciśnienie | 250 bar (3600 psi) |
| Port wlotowy | G3/8, G1/2, M18×1.5, M22×1.5, SAE 8, SAE 10, 3/8 NPT, 1/2 NPT |
| Port wylotowy | G3/8, G1/2, M18×1.5, M22×1.5, SAE 8, SAE 10, 3/8 NPT, 1/2 NPT |
| Rozmiar portu | G3/8, G1/2, M18×1.5, SAE 8, SAE 10, 3/8 NPT, 1/2 NPT |
| Sekcja | 1 Sekcja, 2 Sekcje, 3 Sekcje, 4 Sekcje, 5 Sekcji, 6 Sekcji, 7 Sekcji |
| Typ konstrukcji | Zawór blokowy |
| Zakres temperatury otoczenia | -40°C do +80°C (-40°F do +176°F) |
| Zakres lepkości roboczej | 15 - 75 mm²/s (15 cSt do 75 cSt) |
**Cechy i zalety produktu:**
* **Pojemność przepływu:** Znamionowy przepływ 40 l/min (10,5 US gpm) dla wydajnego przenoszenia płynów.
* **Zdolność ciśnieniowa:** Maksymalne ciśnienie 250 bar (3600 psi) dla wymagających zastosowań.
* **Konstrukcja jednobryłowa:** Trwała i szczelna konstrukcja zapewniająca niezawodne działanie.
* **Sterowanie ręczne:** Precyzyjne i responsywne działanie dla optymalnej kontroli przepływu.
* **Szeroki zakres temperatur pracy:** Od -40°C do +80°C (od -40°F do +176°F) do użytku w różnych środowiskach.
**Zastosowania:**
* Obsługa materiałów: Wózki widłowe, ładowarki teleskopowe, dźwigi, układarki
* Budownictwo i roboty ziemne: Koparki, ładowarki, równiarki, wywrotki
* Rolnictwo: Ciągniki, kombajny, prasy, opryskiwacze
* Pojazdy przemysłowe: Zamiatarki, kompaktory odpadów, hakowce



