Szybka dostawa
30-dniowa dostawa ekspresowa



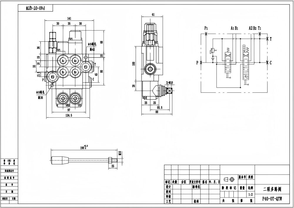
Ręczny, 2-sekcyjny, monoblokowy rozdzielacz kierunkowy P40-G12-G38-OT-QTW to wysokowydajny zawór hydrauliczny przeznaczony do szerokiego zakresu zastosowań przemysłowych. Ze znamionowym przepływem 40 l/min i maksymalnym ciśnieniem 250 bar, zawór ten jest zdolny do obsługi wymagających systemów hydraulicznych. Jego kompaktowa konstrukcja monoblokowa i ręczna metoda sterowania ułatwiają integrację z istniejącymi systemami.
| Seria P40 Zawór sterujący jednoczęściowy Parameters | |
|---|---|
| Metoda sterowania | Ręczna, Pneumatyczna, Elektropneumatyczna, Elektrohydrauliczna, Elektromagnes, Hydrauliczna, Hydrauliczny i ręczny, Kabel, Dźwignia sterownicza, Ręczna i joystick |
| Szpula | 1 Szpula, 2 Szpule, 3 Szpule, 4 Szpule, 5 Szpul, 6 Szpul, 7 Szpul |
| Przepływ znamionowy | 40 l/min (10,5 USGPM) |
| Maksymalne ciśnienie | 250 bar (3600 psi) |
| Port wlotowy | G3/8, G1/2, M18×1.5, M22×1.5, SAE 8, SAE 10, 3/8 NPT, 1/2 NPT |
| Port wylotowy | G3/8, G1/2, M18×1.5, M22×1.5, SAE 8, SAE 10, 3/8 NPT, 1/2 NPT |
| Rozmiar portu | G3/8, G1/2, M18×1.5, SAE 8, SAE 10, 3/8 NPT, 1/2 NPT |
| Sekcja | 1 Sekcja, 2 Sekcje, 3 Sekcje, 4 Sekcje, 5 Sekcji, 6 Sekcji, 7 Sekcji |
| Typ konstrukcji | Zawór blokowy |
| Zakres temperatury otoczenia | -40°C do +80°C (-40°F do +176°F) |
| Zakres lepkości roboczej | 15 - 75 mm²/s (15 cSt do 75 cSt) |
**Cechy i zalety produktu:**
* Ręczne sterowanie dla precyzyjnej pracy
* Konstrukcja 2-sekcyjna dla wszechstronności
* Konstrukcja monoblokowa dla kompaktowej i bezwyciekowej pracy
* Znamionowy przepływ 40 l/min dla wysokiej wydajności
* Maksymalne ciśnienie 250 bar dla trwałości
* Zakres lepkości roboczej 15 - 75 mm²/s dla kompatybilności z różnymi płynami hydraulicznymi
* Zakres temperatury otoczenia od -40°C do +80°C do użytku w trudnych warunkach
**Zastosowania:**
* Sprzęt do transportu materiałów
* Maszyny budowlane i ziemne
* Maszyny rolnicze
* Pojazdy przemysłowe
* Ładowarki teleskopowe
* Wózki widłowe
* Dźwigi terenowe
* Układarki
n* Podesty ruchome
* Równiarki



