Szybka dostawa
30-dniowa dostawa ekspresowa



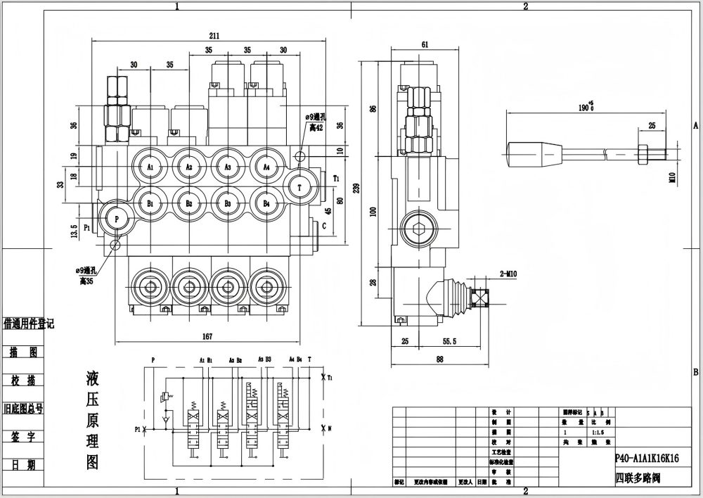
Ręczny, 4-sekcyjny monoblokowy zawór kierunkowy P40-G12-G38-2OT-2QTW to wysokowydajny zawór hydrauliczny, przeznaczony do szerokiego zakresu zastosowań. Dzięki znamionowemu przepływowi 40 l/min i maksymalnemu ciśnieniu 250 barów, zawór ten jest idealny do zastosowania w systemach, gdzie precyzyjna kontrola i niezawodność są kluczowe.
| Seria P40 Zawór sterujący jednoczęściowy Parameters | |
|---|---|
| Metoda sterowania | Ręczna, Pneumatyczna, Elektropneumatyczna, Elektrohydrauliczna, Elektromagnes, Hydrauliczna, Hydrauliczny i ręczny, Kabel, Dźwignia sterownicza, Ręczna i joystick |
| Szpula | 1 Szpula, 2 Szpule, 3 Szpule, 4 Szpule, 5 Szpul, 6 Szpul, 7 Szpul |
| Przepływ znamionowy | 40 l/min (10,5 USGPM) |
| Maksymalne ciśnienie | 250 bar (3600 psi) |
| Port wlotowy | G3/8, G1/2, M18×1.5, M22×1.5, SAE 8, SAE 10, 3/8 NPT, 1/2 NPT |
| Port wylotowy | G3/8, G1/2, M18×1.5, M22×1.5, SAE 8, SAE 10, 3/8 NPT, 1/2 NPT |
| Rozmiar portu | G3/8, G1/2, M18×1.5, SAE 8, SAE 10, 3/8 NPT, 1/2 NPT |
| Sekcja | 1 Sekcja, 2 Sekcje, 3 Sekcje, 4 Sekcje, 5 Sekcji, 6 Sekcji, 7 Sekcji |
| Typ konstrukcji | Zawór blokowy |
| Zakres temperatury otoczenia | -40°C do +80°C (-40°F do +176°F) |
| Zakres lepkości roboczej | 15 - 75 mm²/s (15 cSt do 75 cSt) |
**Cechy i zalety produktu:**
* Ręczne sterowanie dla precyzyjnej pracy
* Konstrukcja 4-sekcyjna dla wszechstronności
* Konstrukcja monoblokowa dla trwałości i niezawodności
* Znamionowy przepływ 40 l/min dla wysokiej wydajności
* Maksymalne ciśnienie 250 barów dla wymagających zastosowań
* Zakres lepkości roboczej 15 - 75 mm²/s dla kompatybilności z szeroką gamą płynów
* Zakres temperatury otoczenia od -40°C do +80°C do stosowania w ekstremalnych warunkach
**Zastosowania:**
* Sprzęt do transportu materiałów
* Sprzęt budowlany i maszyny ziemne
* Maszyny rolnicze
* Pojazdy przemysłowe



