Szybka dostawa
30-dniowa dostawa ekspresowa



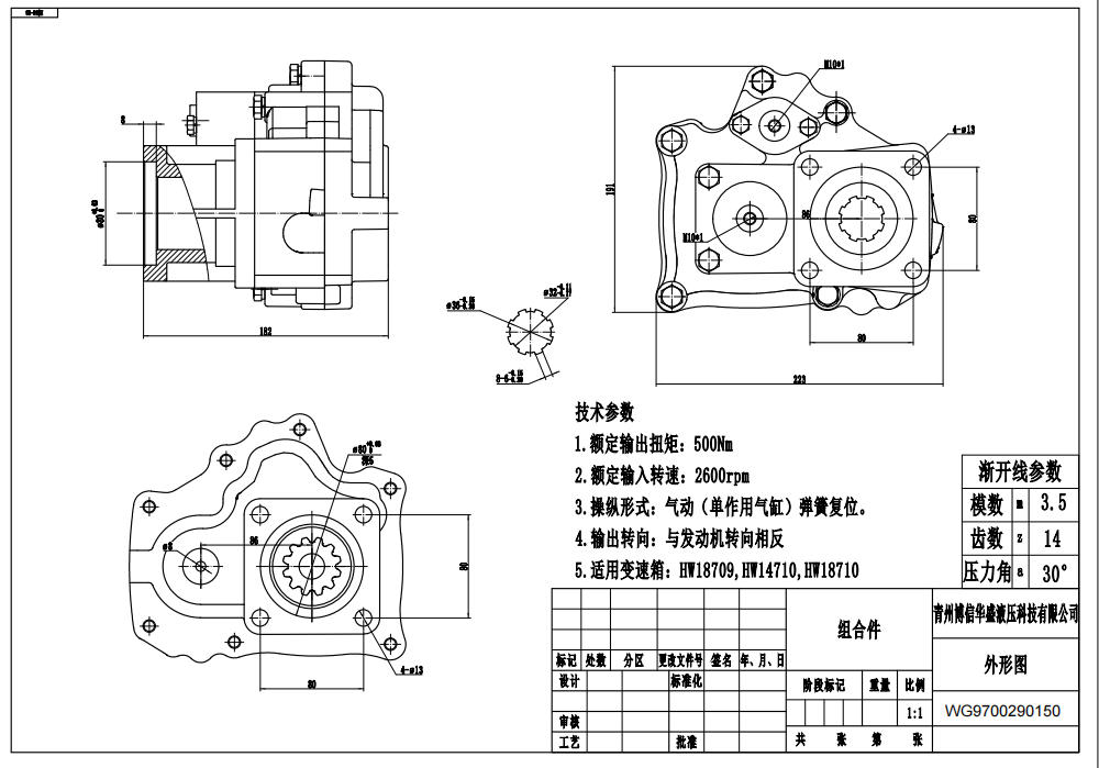
Ten HW50-03 WG9700290150 to solidna 4-śrubowa jednostka odbioru mocy (WOM) zaprojektowana do wymagających zastosowań, oferująca znamionowy moment obrotowy wyjściowy 350 Nm i przełożenie 1.14. Charakteryzuje się manipulacją pneumatyczną (siłownik jednostronnego działania) z resetowaniem sprężynowym i smarowaniem ciśnieniowym dla niezawodnego działania, co czyni ją idealną do szerokiej gamy maszyn przemysłowych, budowlanych i rolniczych.
| Seria WOM Wały odbioru mocy (WOM) Parameters | |
|---|---|
| Typ montażu | 8 śrub, 4 śruby |
| Ciśnienie powietrza sterującego | 8-12 bar |
| Kierunek obrotów wyjściowych | Przeciwny do kierunku obrotów silnika |
| Typ sterowania | Pneumatyczny (siłownik jednostronnego działania) z powrotem sprężynowym |
| Przełożenie | 1.14 |
| Znamionowy moment wyjściowy | 350 Nm |
| Opcja smarowania | Smarowanie ciśnieniowe |
| Opcja montażu | Standardowy montaż |
Cechy i zalety produktu:
* Wysoki moment obrotowy: Oceniony na 350 Nm, ten WOM jest odpowiedni do napędzania wymagających pomp hydraulicznych i innych urządzeń pomocniczych wymagających znacznej mocy.
* Sterowanie pneumatyczne: Wykorzystuje siłownik jednostronnego działania z resetowaniem sprężynowym do precyzyjnego, szybkiego i niezawodnego załączania i rozłączania, działając wydajnie przy ciśnieniu powietrza 8-12 bar.
* Trwałe mocowanie: Posiada standardową opcję mocowania na 4 śruby, zapewniając bezpieczne i stabilne mocowanie do skrzyni biegów pojazdu, zaprojektowane dla solidnej wydajności.
* Efektywne smarowanie: Wyposażony w system smarowania ciśnieniowego, który zapewnia optymalne i ciągłe smarowanie wewnętrznych komponentów, znacznie wydłużając żywotność urządzenia i redukując wymagania konserwacyjne.
* Zoptymalizowane przełożenie: Starannie dobrane przełożenie 1.14 zapewnia efektywne i skuteczne przenoszenie mocy z silnika na napędzane urządzenia pomocnicze.
* Wszechstronne sterowanie: Kierunek obrotu wyjściowego jest przeciwny do kierunku obrotu silnika, co zapewnia elastyczność w projektowaniu systemu i integracji z różnymi układami hydraulicznymi.
* Solidna konstrukcja: Zbudowany z wysokiej jakości materiałów i zaprojektowany do ciężkich, ciągłych operacji w trudnych i wymagających środowiskach pracy.
Scenariusze zastosowania:
Ten Wałek odbioru mocy HW50-03 doskonale nadaje się do szerokiej gamy mobilnych i stacjonarnych systemów hydraulicznych, które wymagają niezawodnego i kontrolowanego poboru mocy z przekładni pojazdu, obejmując różnorodne sektory:
* Budownictwo i roboty ziemne: Niezbędny do zasilania pomp hydraulicznych w ciężkich maszynach, takich jak dźwigi, koparki, ładowarki kołowe, koparko-ładowarki, równiarki i pompy do betonu z wysięgnikiem.
* Pojazdy przemysłowe: Umożliwia kluczowe funkcje pomocnicze w różnych pojazdach przemysłowych, w tym wywrotkach, hakowcach, kompaktory do odpadów i zamiatarkach.
* Rolnictwo: Szeroko stosowany do napędzania systemów hydraulicznych w nowoczesnych maszynach rolniczych, takich jak traktory, kombajny, prasy do siana, opryskiwacze i inne maszyny rolnicze.
* Obsługa materiałów: Zapewnia solidną moc dla ładowarek teleskopowych i wózków widłowych, zwłaszcza tych wyposażonych w specjalistyczne przystawki hydrauliczne do podnoszenia i manipulowania ciężkimi ładunkami.
* Sprzęt specjalistyczny: Ma zastosowanie w przyczepach leśnych, wiertnicach i innych ciężkich urządzeniach mobilnych, które wymagają solidnego, wydajnego i kontrolowanego źródła zasilania dla specjalistycznych funkcji.



