Szybka dostawa
30-dniowa dostawa ekspresowa



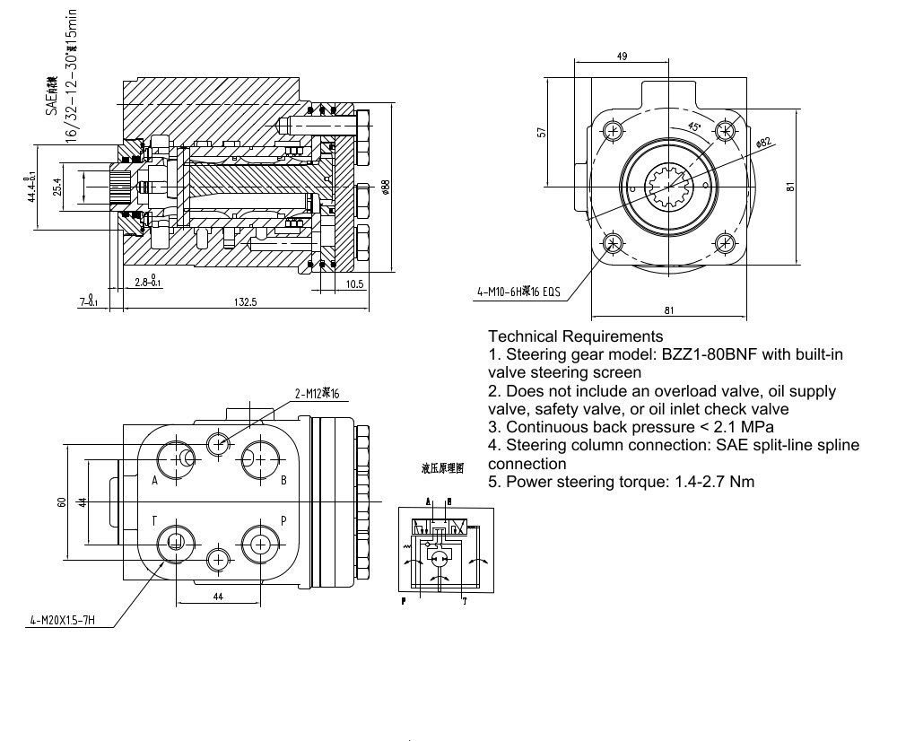
Hydrauliczny zespół kierowniczy BZZ1-E80AS to wytrzymały i konfigurowalny komponent, zaprojektowany do szerokiego zakresu zastosowań w pojazdach do transportu materiałów, maszynach budowlanych i przemysłowych. Dzięki pojemności 80 ml/obr i maksymalnemu ciśnieniu wejściowemu 16 MPa, zapewnia niezawodne i wydajne sterowanie kierownicą. Konstrukcja z żeliwa gwarantuje trwałość, a konfigurowalny blok zaworowy pozwala na dopasowane rozwiązania do spełnienia konkretnych wymagań.
| Seria BZZ1 Jednostka Sterująca Parameters | |
|---|---|
| Pojemność skokowa | 50 ml/obr, 63 ml/obr, 100 ml/obr, 80 ml/obr, 125 ml/obr, 160 ml/obr, 200 ml/obr, 250 ml/obr, 280 ml/obr, 315 ml/obr, 400 ml/obr, 500 ml/obr, 630 ml/obr, 800 ml/obr, 1000 ml/obr |
| Zespół zaworów | Dostosowywalny |
| Materiał | Żeliwo |
| Przepływ znamionowy | 5 l/min, 6 l/min, 4 l/min, 7,5 l/min, 9,5 l/min, 12 l/min, 15 l/min, 19 l/min, 21 l/min, 24 l/min, 30 l/min, 38 l/min, 48 l/min, 60 l/min, 75 l/min |
| Maksymalne ciągłe ciśnienie zwrotne | 2,5 MPa |
| Maksymalne ciśnienie wejściowe | 16 MPa |
Zespół kierowniczy BZZ1-E80AS to wysokowydajny komponent hydrauliczny, wykonany z trwałego żeliwa, co zapewnia długotrwałą eksploatację. Jego pojemność 80 ml/obr i maksymalne ciśnienie wejściowe 16 MPa zapewniają mocne i responsywne sterowanie kierownicą, nawet w wymagających warunkach. Jednostka charakteryzuje się maksymalnym ciągłym ciśnieniem zwrotnym 2,5 MPa i znamionowym przepływem 6 l/min, co gwarantuje stałą wydajność. Kluczową zaletą jest konfigurowalny blok zaworowy, umożliwiający dopasowanie konfiguracji do precyzyjnych potrzeb różnych zastosowań. Ta elastyczność sprawia, że jest idealny do projektów OEM i ODM, a także do dostarczania niestandardowych rozwiązań dla różnorodnych branż. Jednostka znajduje zastosowanie w różnych typach maszyn, w tym w wózkach widłowych, ładowarkach teleskopowych, ładowarkach ze sterowaniem burtowym, kompaktowych ładowarkach kołowych, mini i midi koparkach oraz koparko-ładowarkach. Jego solidna konstrukcja i niezawodne działanie czynią go ekonomicznym rozwiązaniem dla producentów poszukujących wysokiej jakości hydraulicznych komponentów kierowniczych. Oferujemy usługi produkcyjne, OEM, ODM, personalizację i sprzedaż hurtową, a także aktywnie poszukujemy dystrybutorów, hurtowników, agentów i handlowców na całym świecie.



