Szybka dostawa
30-dniowa dostawa ekspresowa



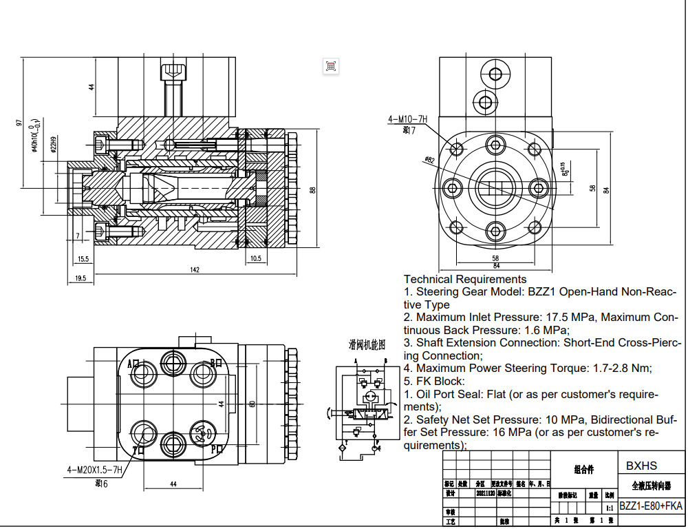
Hydrauliczna jednostka sterująca BZZ1-E80+FKA to solidna i konfigurowalna jednostka o pojemności 80 ml/r z maksymalnym ciśnieniem wejściowym 16 MPa. Idealna do różnorodnych zastosowań w transporcie materiałów, budownictwie, rolnictwie i pojazdach przemysłowych, zapewnia niezawodną kontrolę kierowania przy znamionowym przepływie 6 L/min. Wykonana z żeliwa, posiada konfigurowalny blok zaworów dla dopasowanej wydajności. Oferujemy opcje produkcji, OEM, ODM i hurtowe.
| Seria BZZ1 Jednostka Sterująca Parameters | |
|---|---|
| Pojemność skokowa | 50 ml/obr, 63 ml/obr, 100 ml/obr, 80 ml/obr, 125 ml/obr, 160 ml/obr, 200 ml/obr, 250 ml/obr, 280 ml/obr, 315 ml/obr, 400 ml/obr, 500 ml/obr, 630 ml/obr, 800 ml/obr, 1000 ml/obr |
| Zespół zaworów | Dostosowywalny |
| Materiał | Żeliwo |
| Przepływ znamionowy | 5 l/min, 6 l/min, 4 l/min, 7,5 l/min, 9,5 l/min, 12 l/min, 15 l/min, 19 l/min, 21 l/min, 24 l/min, 30 l/min, 38 l/min, 48 l/min, 60 l/min, 75 l/min |
| Maksymalne ciągłe ciśnienie zwrotne | 2,5 MPa |
| Maksymalne ciśnienie wejściowe | 16 MPa |
Hydrauliczna jednostka sterująca BZZ1-E80+FKA zapewnia precyzyjne i mocne sterowanie dla szerokiej gamy maszyn. Jej wysoka wytrzymałość na ciśnienie (16 MPa) zapewnia niezawodne działanie nawet pod dużym obciążeniem. Pojemność 80 ml/r i znamionowy przepływ 6 L/min zapewniają efektywną reakcję układu kierowniczego. Solidna konstrukcja z żeliwa gwarantuje trwałość i długowieczność w wymagających środowiskach. Konfigurowalny blok zaworów umożliwia dopasowane rozwiązania w celu spełnienia specyficznych wymagań aplikacji, optymalizując wydajność i efektywność. Oferujemy elastyczne modele biznesowe, w tym produkcję, OEM (Original Equipment Manufacturing), ODM (Original Design Manufacturing) oraz opcje hurtowe, co pozwala na dostosowane rozwiązania i zamówienia hurtowe, aby sprostać Państwa specyficznym potrzebom. Aktywnie poszukujemy dystrybutorów, hurtowników, agentów i firm handlowych na całym świecie. Skontaktuj się z nami, aby omówić swoje wymagania i zbadać potencjalne partnerstwa.



