Szybka dostawa
30-dniowa dostawa ekspresowa



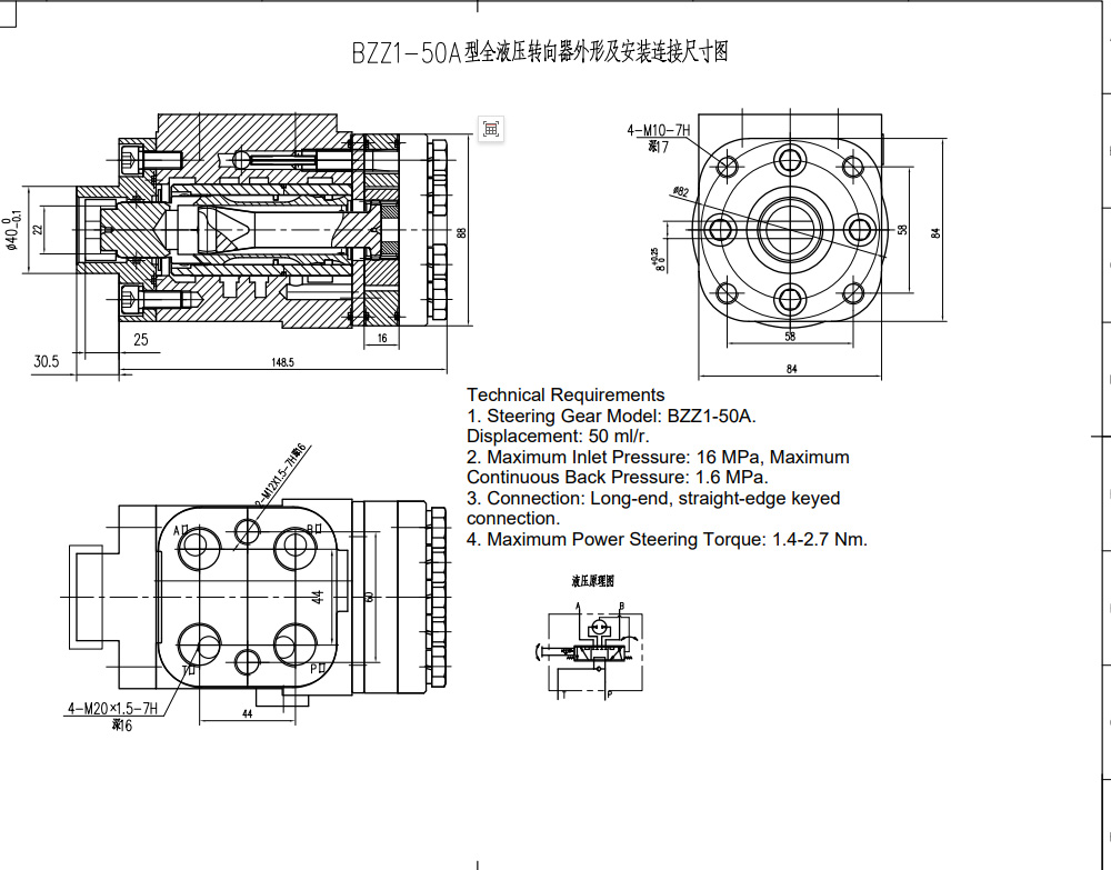
BZZ1-E50A to solidna hydrauliczna jednostka sterująca o pojemności 50 ml/r, przeznaczona do różnorodnych zastosowań w transporcie materiałów, budownictwie, rolnictwie i pojazdach przemysłowych. Charakteryzuje się maksymalnym ciśnieniem wejściowym 16 MPa i konfigurowalnym blokiem zaworowym dla dostosowanej wydajności. Oferujemy produkcję, OEM, ODM oraz opcje hurtowe.
| Seria BZZ1 Jednostka Sterująca Parameters | |
|---|---|
| Pojemność skokowa | 50 ml/obr, 63 ml/obr, 100 ml/obr, 80 ml/obr, 125 ml/obr, 160 ml/obr, 200 ml/obr, 250 ml/obr, 280 ml/obr, 315 ml/obr, 400 ml/obr, 500 ml/obr, 630 ml/obr, 800 ml/obr, 1000 ml/obr |
| Zespół zaworów | Dostosowywalny |
| Materiał | Żeliwo |
| Przepływ znamionowy | 5 l/min, 6 l/min, 4 l/min, 7,5 l/min, 9,5 l/min, 12 l/min, 15 l/min, 19 l/min, 21 l/min, 24 l/min, 30 l/min, 38 l/min, 48 l/min, 60 l/min, 75 l/min |
| Maksymalne ciągłe ciśnienie zwrotne | 2,5 MPa |
| Maksymalne ciśnienie wejściowe | 16 MPa |
Hydrauliczna jednostka sterująca BZZ1-E50A oferuje niezawodne i wydajne rozwiązanie dla różnych maszyn. Jej żeliwna konstrukcja zapewnia trwałość i długowieczność, nawet w wymagających warunkach pracy. Kluczowe cechy to:
* **Wysoka wydajność:** Pojemność 50 ml/r, znamionowy przepływ 4 L/min i maksymalne ciśnienie wejściowe 16 MPa zapewniają mocne i responsywne sterowanie.
* **Konfigurowalny blok zaworowy:** Umożliwia adaptację do specyficznych wymagań maszyny i optymalizację wydajności systemu.
* **Trwała konstrukcja:** Materiał żeliwny zapewnia solidne działanie i odporność na zużycie.
* **Wszechstronne zastosowania:** Nadaje się do szerokiej gamy maszyn, w tym wózków widłowych, ładowarek o sterowaniu burtowym, kompaktowych ładowarek kołowych, ładowarek teleskopowych, ciągników, mini koparek i koparko-ładowarek.
* **Elastyczność produkcji:** Oferujemy produkcję, OEM, ODM oraz opcje hurtowe, aby sprostać różnorodnym potrzebom klientów. Aktywnie poszukujemy dystrybutorów, hurtowników, agentów i partnerów handlowych na całym świecie, aby rozszerzyć nasz zasięg rynkowy. Skontaktuj się z nami już dziś, aby dowiedzieć się więcej o naszych możliwościach i omówić swoje specyficzne wymagania.



