Szybka dostawa
30-dniowa dostawa ekspresowa



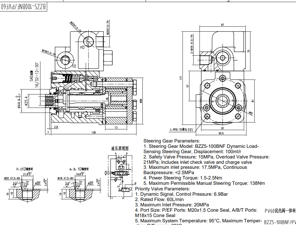
Hydrauliczny układ kierowniczy 101S-5T-80-PV60 to wysokowydajne, trwałe i konfigurowalne rozwiązanie do różnych zastosowań w transporcie materiałów, budownictwie, rolnictwie i pojazdach przemysłowych. Dzięki pojemności 80 ml/r i maksymalnemu ciśnieniu wejściowemu 17,5 MPa zapewnia niezawodne sterowanie dla szerokiej gamy urządzeń.
| Seria 10 Jednostka Sterująca Parameters | |
|---|---|
| Pojemność skokowa | 50 ml/obr, 63 ml/obr, 100 ml/obr, 80 ml/obr, 125 ml/obr, 160 ml/obr, 200 ml/obr, 250 ml/obr, 280 ml/obr, 315 ml/obr, 400 ml/obr |
| Materiał | Żeliwo |
| Przepływ znamionowy | 5 l/min, 6 l/min, 8 l/min, 10 l/min, 12,5 l/min, 16 l/min, 20 l/min, 25 l/min, 28 l/min, 31,5 l/min, 40 l/min |
| Zespół zaworów | Dostosowywalny |
| Maksymalne ciągłe ciśnienie zwrotne | 2,5 MPa |
| Maksymalne ciśnienie wejściowe | 17,5 MPa |
Hydrauliczny układ kierowniczy 101S-5T-80-PV60 to solidny i wydajny komponent przeznaczony do wymagających środowisk. Zbudowany z żeliwnej obudowy zapewniającej doskonałą trwałość i długowieczność, charakteryzuje się pojemnością 80 ml/r i maksymalnym ciśnieniem wejściowym 17,5 MPa, zapewniając mocne i responsywne sterowanie. Maksymalne ciągłe ciśnienie zwrotne 2,5 MPa dodatkowo zwiększa jego niezawodność i wydajność. Jego znamionowy przepływ 8 L/min przyczynia się do płynnej i precyzyjnej kontroli kierowania. Blok zaworowy jest konfigurowalny, co pozwala na dostosowanie do konkretnych wymagań maszyn i zastosowań. Urządzenie to jest idealne do różnego rodzaju sprzętu, w tym wózków widłowych, ładowarek teleskopowych, ładowarek o sterowaniu burtowym, kompaktowych ładowarek kołowych, mini-koparek, ciągników, koparko-ładowarek, zamiatarek, kombajnów i innych. Jego wysoka wydajność i niezawodne działanie sprawiają, że jest to ekonomiczny i wydajny wybór dla producentów OEM, ODM i dystrybutorów poszukujących wysokiej jakości rozwiązania hydraulicznego układu kierowniczego. Oferujemy usługi produkcyjne, OEM, ODM, dostosowywanie i sprzedaż hurtową, aktywnie poszukując dystrybutorów, hurtowników, agentów i partnerów handlowych na całym świecie.



