Szybka dostawa
30-dniowa dostawa ekspresowa



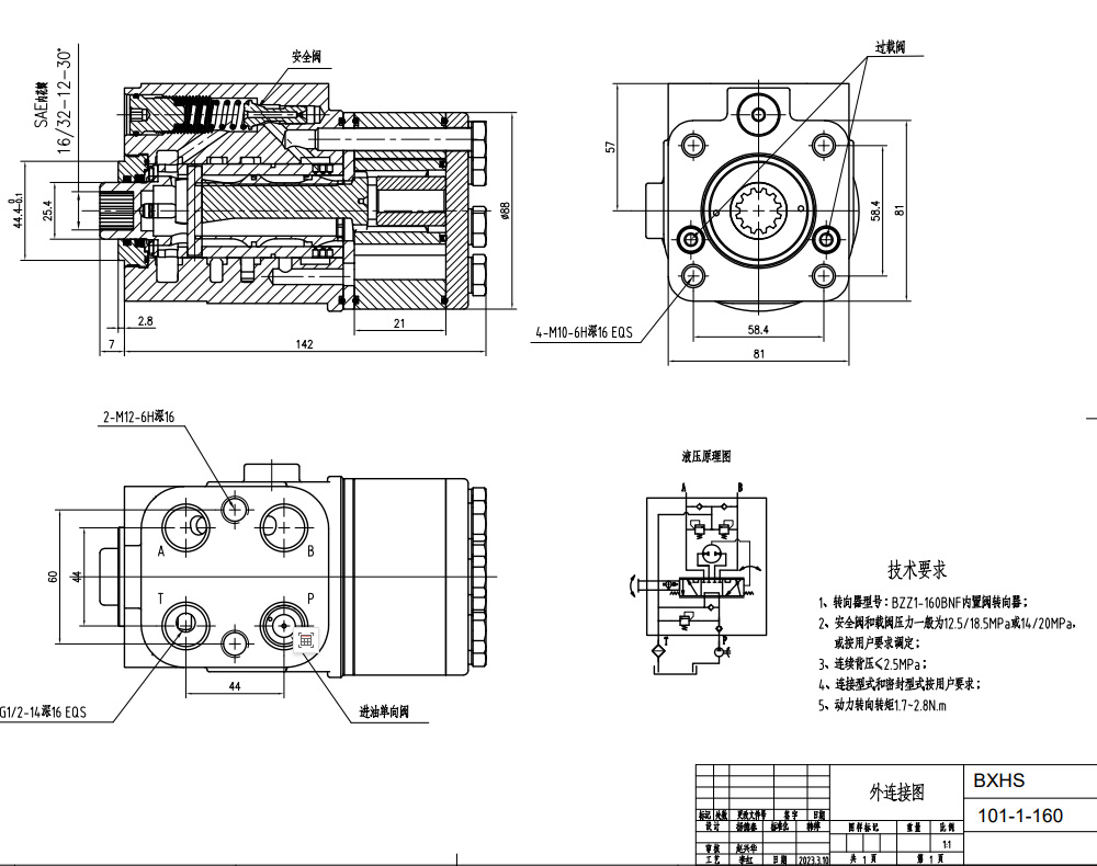
Jednostka sterująca 101-1-160 to solidny i niezawodny hydrauliczny komponent układu kierowniczego o pojemności 160 ml/r, zaprojektowany do różnych zastosowań w budownictwie, rolnictwie, przeładunku materiałów i pojazdach przemysłowych. Charakteryzuje się maksymalnym ciśnieniem wejściowym 17,5 MPa i konfigurowalnym blokiem zaworowym dla optymalnej wydajności. Oferujemy usługi produkcyjne, OEM, ODM i hurtowe.
| Seria 10 Jednostka Sterująca Parameters | |
|---|---|
| Pojemność skokowa | 50 ml/obr, 63 ml/obr, 100 ml/obr, 80 ml/obr, 125 ml/obr, 160 ml/obr, 200 ml/obr, 250 ml/obr, 280 ml/obr, 315 ml/obr, 400 ml/obr |
| Materiał | Żeliwo |
| Przepływ znamionowy | 5 l/min, 6 l/min, 8 l/min, 10 l/min, 12,5 l/min, 16 l/min, 20 l/min, 25 l/min, 28 l/min, 31,5 l/min, 40 l/min |
| Zespół zaworów | Dostosowywalny |
| Maksymalne ciągłe ciśnienie zwrotne | 2,5 MPa |
| Maksymalne ciśnienie wejściowe | 17,5 MPa |
Jednostka sterująca 101-1-160 to wysokowydajny hydrauliczny układ kierowniczy zbudowany z trwałego żeliwa, zapewniającego długą żywotność. Jego pojemność 160 ml/r zapewnia efektywną kontrolę sterowania, podczas gdy maksymalne ciśnienie wejściowe 17,5 MPa gwarantuje niezawodną pracę w wymagających warunkach. Maksymalne ciągłe ciśnienie zwrotne 2,5 MPa zwiększa jego wytrzymałość. Znamionowy przepływ 16 L/min zapewnia responsywne sterowanie. Kluczową cechą jest konfigurowalny blok zaworowy, umożliwiający dostosowanie konfiguracji do specyficznych wymagań aplikacji. To sprawia, że jednostka jest odpowiednia dla szerokiej gamy maszyn, w tym wózków widłowych, minikoparek, ładowarek o sterowaniu burtowym, kompaktowych ładowarek kołowych, ciągników i ładowarek czołowych, ładowarek teleskopowych, koparko-ładowarek, wywrotek, kombajnów i pras rolujących. Oferujemy pełne możliwości produkcyjne, a także usługi OEM, ODM i hurtowe, i aktywnie poszukujemy dystrybutorów, hurtowników, agentów i partnerów handlowych na całym świecie, aby poszerzyć nasz zasięg rynkowy. Skontaktuj się z nami już dziś, aby omówić Twoje konkretne potrzeby i zbadać opcje dostosowania.



